2024 Vol. 50, No. 1

Display Method:
Volume 1 Issue E-journal
Volume 50 Issue12024
iconDownload (107190) 1275 iconPreview
Review on development of LEO Internet constellation
WU Shufan, WANG Wei, WEN Jifan, WU Yuedong
2024, 50(1): 1-11. doi: 10.13700/j.bh.1001-5965.2022.0242
Abstract:

In recent years, several innovative enterprises like SpaceX and OneWeb have initiated the LEO Internet constellations. Therefore, recognizing its importance to the internet usersis meaningful to review the state-of-the-art technologies and the relevant challenges. In this review, three representative LEO Internet constellation plans (Starlink, OneWeb, Lightspeed) and the latest development in China are firstly introduced. Then, according to the characteristics of LEO Internet constellations, five major challenges of the LEO Internet constellations are analyzed, i.e., prediction of relative motion evolution of constellation, autonomous navigation and orbiting of constellation, path planning for constellation configuration reconstruction, constellation self-organizing collaborative configuration control, constellation communication and network services. Finally, some suggestions are provided for the development of LEO Internet constellation in China.

Risk analysis method for thermal runaway gas toxicity of lithium-ion batteries
ZHANG Qingsong, QU Yirun, LIU Tiantian
2024, 50(1): 12-19. doi: 10.13700/j.bh.1001-5965.2022.0217
Abstract:

A method to analyse the toxicity of thermal runaway gases of batteries, referring to the risk assessment theory was proposed. It aims to investigate the hazard ratings of the main harmful substances in the thermal runaway gas of lithium-ion batteries.By using the fractional effective dose (FED) equation and a gas sensor array, the results of the method used to characterize the likelihood of thermal runaway of lithium batteries occurred were discovered.The thermal runaway gas toxicity kinetic model of the battery was demonstrated in order to identify the consequences of gas toxicity, while the toxicity risk of thermal runaway gas in ternary lithium-ion batteries under different states of charge (SOC) was analyzed accordingly. The results retrieved show that high SOC batteries are more likely to enter the thermal runaway state, and the total amount of CO, HF and gas released by thermal runaway increases according to the SOC of batteries. As a result, the risk of thermal runaway increases with battery SOC.A fully (100%) charged battery has about 8 times the toxicity risk of a 25% charged battery and requires 11 times the fresh air dilution to reach a safe concentration.The results provided data reference for the early warning of lithium battery thermal runaway and the toxicity evaluation of pyrolysis gas.

Quality control model of CYGNSS sea surface wind speed retrieval based on ML combination
ZHANG Yun, ZHAO Xingyu, YANG Shuhu, SUN Cong, HAN Yanling, YIN Jiwei
2024, 50(1): 20-29. doi: 10.13700/j.bh.1001-5965.2022.0220
Abstract:

Convolutional neural networks (CNN) can be used for sea surface wind speed retrieval of cyclone global navigation satellite system (CYGNSS). There are still anomalous values in the observation data of CYGNSS, despite the fact that numerous quality control indicators have been set up to detect and weaken the abnormal observation data of CYGNSS before model training, which results in a drop in model retrieval accuracy and even incorrect retrieval results. Therefore, this paper proposes a wind speed retrieval model based on machine learning (ML) combination. Based on the CYGNSS retrieval of sea surface wind speed based on the CNN regression model, the ML classification model generates the quality flag of the CNN regression result, which can detect and remove the outliers of the CNN regression results to further improve the data quality of the wind speed retrieval results, and the ML classification model can better consider the interaction between various data errors, instead of using the threshold for each condition individually, to achieve better results. The effect of retrieval accuracy of sea surface wind speed. Six classification models were compared in the experiments, including Logistic regression (LR), decision tree (DT), naive Bayes model, K-nearest neighbor (KNN) algorithm, neural network (NN) model, and support vector machine (SVM). It was ultimately determined that the classification model based on KNN algorithm had the best impact on the quality control of wind speed retrieval. The wind speed retrieval combined model significantly improves the accuracy of the retrieval results. In the range of 0−20 m/s, the filtering rate of abnormal samples is 81.27%, and in all filtered data, the filtering correct rate is 86.03%; the root mean square error of the error is reduced from 1.7 m/s for the classification model without ML to 1.44 m/s for the classification model with ML. Among them, the training sample is 0−10 m/s retrieval results, and the accuracy improvement effect is more obvious, which proves the effectiveness of the ML combination model proposed in this paper for wind speed quality control.

Improved transfer learning based dual-branch convolutional neural network image dehazing
LI Yunhong, YU Huikang, MA Dengfei, SU Xueping, DUAN Jiaojiao, SHI Hanchi
2024, 50(1): 30-38. doi: 10.13700/j.bh.1001-5965.2022.0253
Abstract:

To address the problems of incomplete dehazing and image color distortion in the existing image dehazing algorithms, a dehazing network combining transfer learning sub-net and residual attention sub-net is proposed. First, the pre-trained model of the transfer learning subnet is adopted to enhance the feature attributes of the samples. Second, the structure of the dual-branch network is constructed, and the residual attention sub-network is used to assist the transfer learning sub-network to train the parameters of the network model. Finally, the method of tail ensemble learning is used to fuse the features of the dual network to obtain the model parameters of the dehazed image, so as to complete the image restoration task.The experimental results show that the algorithm proposed in the paper improves the PSNR index by 1.87 dB and 4.22 dB on the RESIDE dataset and the O-HAZE dataset respectively compared to GCANet, and the SSIM index on the O-HAZE dataset by 6.7% compared to GCANet.

Aero-engine data reconstruction based on truncated p-shrinkage norm
ZHANG Hongmei, WU Jiangnan, ZHAO Yongmei, ZENG Hang, LI Quangen
2024, 50(1): 39-47. doi: 10.13700/j.bh.1001-5965.2022.0263
Abstract:

To address the data loss problem of aero engine sensors, a tensor reconstruction model LRTC-PTNN based on tensor singular value threshold (TSVT) is proposed to reconstruct the sensor data of aircraft engines. LRTC-PTNN uses truncation p-shrinkage norm to replace the original tensor trace norm as the convex envelope of tensor rank. According to the characteristics of TSVT, the correlation between sensors is calculated, and the data input direction with the best reconstruction accuracy is selected. The LRTC-PTNN algorithm was finally implemented using the alternating direction method of multipliers. Using the PHM2008 dataset provided by NASA for experiments, the dataset was standardized and restored after reconstruction, and the multiple time series similar number of engine sensor data were constructed into the form of high-dimensional tensor, and the data deletion scenarios of the two sensors were set for experiments. The results showed that the RMSE and MAPE values of the reconstructed data were between 2.10%−13.13% and 0.32%−1.49%, respectively; the LRTC-PTNN model was better than the existing baseline model; in extreme cases, the model also has strong robustness.

Integrated control method for quadrotors’ aggressive trajectory tracking under multiple constraints
WANG Yingxun, LI Xin, CAI Zhihao, ZHAO Jiang
2024, 50(1): 48-60. doi: 10.13700/j.bh.1001-5965.2022.0208
Abstract:

The increasing demand for high-dynamic flight of quadrotors has made it an increasingly popular research topic. In order to solve the state tracking control problem of aggressive trajectories when quadrotors undertake activities such as navigating the cracks in the ruins and the gaps in the forest, this work develops an integrated control strategy based on model predictive control. This technique incorporates integrated tracking control of numerous reference states as well as aggressive trajectory planning under multiple limitations. Flight tests have verified the superior performance of the proposed control method in this paper compared with the feed-forward PID control method in tracking the planned aggressive trajectories. In-flight tests, quadrotors successfully crossed the narrow gap of 60° roll angle, and their actual roll angle reached a large angle of 60°, while the z-axis error is only 0.065 m.

Distributed cooperative guidance strategy based on virtual negotiation and rolling horizon optimization
YANG Xiuxia, JIANG Zijie, ZHANG Yi, WANG Cong, YU Hao
2024, 50(1): 61-76. doi: 10.13700/j.bh.1001-5965.2022.0174
Abstract:

The multi-UAV cooperative guidance under target maneuvering is studied, and a distributed cooperative guidance strategy based on virtual negotiation mechanism and rolling horizon optimization is proposed. To improve the effect of time coordination and guidance control at the same time, the local coordination variables and objective function are designed under the rolling horizon optimization framework. The multi-constraint cooperative guidance optimization model is then constructed in the finite time domain. To enhance the robustness of the guidance system to maneuvering targets, a disturbance observer based on nonlinear autoregressive neural network is designed. To address the control input coupling between UAVs, a virtual negotiation mechanism is proposed, realizing synchronous decision-making and eliminating internal “differences”. The guidance command generation strategy is also designed by using the root mean square propagation algorithm of Nesterov momentum. The experiments of digital simulation and hardware in the loop simulation are carried out. The results show that the proposed guidance strategy can deal with various system interferences and improve the effectiveness of the cooperative guidance through online prediction and optimization, thus expected to be further applied and tested in practical projects.

Risk assessment method for civil aircraft approach and landing at high plateau based on QAR data
CHEN Nongtian, MAN Yongzheng, LI Junhui
2024, 50(1): 77-85. doi: 10.13700/j.bh.1001-5965.2022.0186
Abstract:

The high plateau approach and landing of civil aircraft is a high-risk stage of high plateau flight. To effectively identify the risk and its grade of this approach and landing, a long short term memory-deep neural network (LSTM-DNN) deep learning risk assessment method is proposed based on the variable fuzzy identification of entropy weights. This method utilizes high-altitude flight data recorded by the quick access recorder (QAR), referencing the advisory notices from the flight operations quality assurance (FOQA) of civil aviation as well as the industry QAR monitoring standards. The method combines indicator importance analysis with Delphi expert surveys to extract five key monitoring items for civil aviation high-altitude approach and landing risk assessment, including significant changes in heading during landing, low trajectory, large descent rate during the 610−305 m approach, touchdown vertical acceleration during landing, and high descent rate during the 153−15 m approach. To overcome the subjective bias of the evaluation index weight, the entropy weight method is then used to determine the evaluation index weight, with the risk level membership function constructed based on the variable fuzzy identification method. Finally, the LSTM-DNN risk assessment model for civil aircraft approach and landing at high plateau is established. Taking the Chengdu−Lhasa approach and landing segment as an example, this study extracted the QAR data to train and test the risk assessment model, and compared the results with those of the evaluation methods such as Logistic multiple regression and support vector machines (SVM). The results show that the recognition rate of the proposed method reaches 94.18% on average with the highest being 94.79%, verifying the effectiveness of the method.

RTPN interception guidance law for maneuvering target based on collaborative filtering trajectory prediction
LI Jiguang, CHEN Xin, DONG Yanfei, QU Gaomin, ZHAO Chenggong, ZHANG Along
2024, 50(1): 86-96. doi: 10.13700/j.bh.1001-5965.2022.0211
Abstract:

According to the actual requirements of the current air threat target interception, combined with the interceptor’s own maneuverability and based on the full coverage cooperative strategy, a realistic true proportional navigation law (RTPN) guided interception method for collaborative detection is designed. It solves the problem that the traditional RTPN method does not consider the interceptor saturation overload limit and the determination of the acquisition area of any maneuvering target. A distributed cooperative filtering technique is suggested to address the accuracy and robustness of data fusion caused by measurement inaccuracy of target trajectory and packet loss of cooperative detection data during interception. Aiming at the problems of data transmission and the delay of interceptor dynamic response, a track prediction algorithm is proposed. The results of the simulations demonstrate that the suggested approach may successfully address issues with acquisition region identification, dynamic latency under saturation overload, and resilience and accuracy issues brought on by data packet loss in cooperative detection data fusion.

Adaptive group formation tracking-containment control for UAV swarm
ZHANG Yi, YU Hao, YANG Xiuxia, JIANG Zijie, WANG Chenlei
2024, 50(1): 97-109. doi: 10.13700/j.bh.1001-5965.2022.0264
Abstract:

To address the group formation tracking-containment control problem of unmanned aerial vehicles (UAV) swarm, a hierarchical cooperative control architecture including group cooperation and tracking-containment is established. In order to highlight the top-level planning ability of swarm system, a group cooperative control strategy based on formation parameter group is proposed, which overcomes the defect that the existing multi formation control methods are difficult to realize formation transformation. On the basis of considering the communication coupling between groups, an adaptive group formation tracking-containment control law is designed to overcome the dependence of the control input on the eigenvalues of the Laplacian matrix, and the feasibility constraint of the expected formation is given. The saturation constraint is introduced into the control input, and the necessary and sufficient conditions for the stability of the system under the input saturation constraint are further derived to avoid the large-scale maneuver of the swarm. The results show that the proposed strategy can realize the group formation tracking-containment control of UAV swarm.

Resilience assessment and recovery of airport departure flights under severe weather
WANG Xinglong, ZHAO Junni, WANG Jin
2024, 50(1): 110-121. doi: 10.13700/j.bh.1001-5965.2022.0193
Abstract:

In order to ensure the overall performance of the airport under severe weather, scientifically evaluate the resilience of the airport's flight operations, improve flight recovery capabilities, and alleviate the impact of severe weather effectively. This article first gives the definition of airport departure flight operation. Starting from the performance of the airport departure flight operation system, it analyzes flight departure delay time, total departure delay time, departure flight normality rate and airport departure flight operation system comprehensive resilience index four indicators to evaluate the resilience changes of the system under severe weather conditions.It is important to present airport departure flight operating system's performance recovery method, to employ a genetic algorithm to optimize the order of the delayed departure flights. Finally, this article takes the “721” heavy rain event in Beijing Capital International Airport in 2012 as an example to analyze the data, obtains the performance index and resilience index of the Capital Airport under the influence of heavy rain, and compare and analyze the changes in airport departure flight operating system performance and resilience level. The results indicate that under the influence of heavy rain, the comprehensive resilience index of the airport departure flight operation system decreased from 0.4573 to 0.0628, and increased to 0.2223 after the rainstorm decreased. The delay time is reduced by 24.85%, the airport performance recovery speed is increased by 13.89% after optimization, and the minimum resilience index of the optimized airport departure flight operation system is increased by 13.38%, the system performance is given priority to restore to the initial state, indicating the effectiveness of the proposed recovery strategy.

Robust traffic flow prediction based on graph contrastive learning
LIU Wei, JIA Suling
2024, 50(1): 122-133. doi: 10.13700/j.bh.1001-5965.2022.0230
Abstract:

Robust traffic flow prediction, as the core technology of Intelligent Transportation Systems, is a long-standing but challenging task. The fact that current models need a lot of training data and are susceptible to noise disturbance is a major factor that is restricting the growth of this subject. In academia, graph contrastive learning can alleviate the data-demanding issue and improve the model’s ability to resist data noise through data augmentation and contrastive learning. Therefore, this paper proposes a Traffic Flow prediction framework that incorporates graph contrast learning (TFGCL) for robust traffic flow prediction. The framework has three contributions: First of all, given the unique spatio-temporal characteristics of traffic flow graph (TFG) data, TFGCL proposes three TFG data augmentation methods from the perspective of time and space. Secondly, in order to learn high-quality representations, this work also suggests a filtering method to shield the model from harsh negative samples with identical semantics. Finally, TFGCL jointly trains the traffic flow prediction task and the graph contrastive learning task. Extensive experiments with 8 baselines on 3 real traffic datasets show that the prediction performance of the TFGCL framework is more robust (an improvement of 6.24% compared to the best baseline), especially in datasets with obvious data missing and long-term traffic flow forecasting tasks.

Belief reliability modeling for assembly accuracy of spaceborne SAR antenna deployable mechanism
LI Yun, ZHANG Xiangxiao, SUN Fuqiang, LI Xiaoyang, HAN Jianchao
2024, 50(1): 134-143. doi: 10.13700/j.bh.1001-5965.2022.0234
Abstract:

The deployable mechanism for a spaceborne synthetic aperture radar (SAR) antenna is a space truss structure, with the rod system and hinge coupled in space. Assembling accuracy is difficult to control precisely during the assembly process, and assembly reliability directly impacts the spaceborne SAR antenna’s service performance. Therefore, based on the principle of reliability science, a precision assurance reliability modeling method for spaceborne SAR antenna ground assembly is proposed in this paper. First, the performance index and threshold indicating the assembly accuracy of the antenna deployable mechanism were established, taking into account both internal and external elements that have an impact on the assembly accuracy in the antenna assembly process. Then, the multi-source uncertainty analysis and quantification were carried out to construct the assembly precision certainty reliability model of the spaceborne SAR antenna deployable mechanism. Finally, the reliability sensitivity analysis and verification of a spaceborne SAR antenna deployable mechanism are carried out. The results show that the proposed method can provide theoretical guidance for the mounting and adjusting of spaceborne SAR antenna deployable mechanism, and effectively improve the assembly accuracy and efficiency.

Object detection and obstacle avoidance based on dynamic vision sensor for UAV
CAI Zhihao, CHEN Wenjun, ZHAO Jiang, WANG Yingxun
2024, 50(1): 144-153. doi: 10.13700/j.bh.1001-5965.2022.0201
Abstract:

UAVs face a significant problem while trying to avoid moving objects while in flight. In order to detect and avoid high-speed dynamic obstacles in a dynamic environment, an algorithm for target detection and obstacle avoidance based on a dynamic vision sensor was designed. Firstly, we propose an event filter method and to filter the background noise, hot noise, and the method preserves the asynchrony of events. The motion compensation algorithm is designed to filter redundant events caused by the camera’s own motion in the event stream. For dynamic object detection, a fusion detection algorithm of event image and RGB image is designed, it has higher robustness in a highly dynamic environment. Finally, to avoid dynamic obstacles combined with the features of obstacle movement and UAV dynamic restrictions, finally, we enhanced the velocity obstacle method and estimated the target trajectory in accordance with the detection results. A large number of simulation tests, hand-held tests, and flight tests are carried out to verify the feasibility of the algorithm.

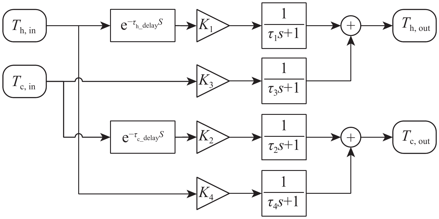
Dynamic model by transfer function and parameter determination method of plate fin heat exchanger
LIANG Xingzhuang, HUANG Zhiyuan, AI Fengming, YUAN Zhenwei, WANG Jian
2024, 50(1): 154-162. doi: 10.13700/j.bh.1001-5965.2022.0202
Abstract:

A fast and efficient dynamic simulation model of heat exchangers is urgently needed to meet the requirements of the advanced control system design for the integrated environmental control and thermal management system of aircraft. In this paper, a dynamic model by transfer function matrix, composed of two delay links and four first-order inertia links, is proposed for plate-fin heat exchangers. The identification method for the calculation formulas of thermal resistance based on the efficiency of the heat exchanger is given, which solves the issue of setting two key parameters in the model. The calculation formulas of four-time constants in the simplified model are derived according to the mechanism of the heat exchanger by using the Laplace transform. Taking an air-liquid plate-fin heat exchanger as the research object, the new dynamic simulation model is built in Simulink software, and compared with the mechanism model built in AMESim software. The results show that both models have similar dynamic responses of the outlet temperature at both flow sides with step change of inlet temperature or flow rate. Under four working conditions, the highest steady-state variations of the air and cooling water outlet temperatures are 0.034 ℃ and 0.029 ℃, respectively. The maximum dynamic relative deviation of airflow outlet temperature is 9.27% with a step change of the cooling water flow rate. The maximum dynamic relative deviation of cooling water flow outlet temperature is 7.03% with a step change of the airflow rate.

Nonlinear variable damping integral sliding mode control for electro-hydrostatic actuator
YANG Rongrong, ZHANG Ling, ZHAO Jiali, FU Yongling, ZHANG Peng
2024, 50(1): 163-172. doi: 10.13700/j.bh.1001-5965.2022.0252
Abstract:

For electro-hydrostatic actuator (EHA), the traditional sliding mode controller has many defects, such as control signal chattering, difficulty in acceleration information acquirement and controller parameters tuning, which make the controller difficult to be applied in practice. To solve the above problems, the reduced order mathematical model of EHA is obtained reasonably by using singular perturbation theory, which result in avoiding the use of acceleration information. On this basis, a novel nonlinear variable damping integral sliding mode controller (NSMC) is synthesized by employing the reduced order model. NSMC can adaptively adjust the system damping ratio from underdamping to overdamping according to the position control error, and can effectively improve the position step performance. Besides, filter-based uncertainty estimator is designed to estimate and compensate the parameter uncertainties and external disturbances of EHA in real time. Due to the introduction of sliding mode surface integral term and uncertainty estimator, switching function is unnecessary, on the one hand, the free-chattering sliding control can be achieved. On the other hand, the whole dynamic process is determined directly by the dynamic of sliding mode surface, so that sliding mode surface parameters can be tuned directly according to EHA’s control performance index, which greatly simplifies the parameters tuning process. Meanwhile, the stability of the whole closed-loop system and sliding mode surface is proved via Lyapunov stability theory. Finally, by comparing respectively with PI, conventional sliding mode (SMC) and damping variable sliding mode controller (DVSMC), the simulation results indicated that NSMC can effectively improve EHA position tracking performance and enhance the robustness of parameter uncertainty and external disturbance.

Influence of dynamic behavior of supercooled large droplets on airfoil icing
LIU Feiyu, DENG Tian
2024, 50(1): 173-186. doi: 10.13700/j.bh.1001-5965.2022.0213
Abstract:

Supercooled large droplets (SLD) represent one of the most hazardous flight conditions. The unique dynamic behavior of large droplets, including deformation, fragmentation, splash, and rebound, poses challenges for accurately assessing SLD icing using traditional icing calculation methods. In this study, the Navier-Stokes method was employed to solve the flow field, the Euler method was used to calculate droplet impact, and the Shallow Water model was utilized to simulate ice accretion. The credibility of the proposed methodology was verified by comparing the results with NASA experimental data. The findings demonstrate that the dynamic behavior of SLD significantly influences icing and ice formation. Specifically, deformation and fragmentation alter the trajectory and impact range of droplets, reducing the droplet impact limit, resulting in a 2.83% and 2.13% decrease in upper and lower icing limits, respectively. Splashing reduces the collection efficiency of droplets near the stagnation point, resulting in an 8.09% reduction in leading-edge ice accretion. Rebound considerably lowers the droplet impact limit, leading to a 30.69% and 20.01% decrease in upper and lower icing limits, respectively. Moreover, the re-entry of secondary droplets into the flow field following rebound increases the upper and lower icing limits by 6.14% and 3.71%, respectively. Furthermore, the aerodynamic performance of the ice-contaminated airfoil significantly deteriorates compared to a clean airfoil. At the same angle of attack, the lift decreases, the drag increases, and the aerodynamic efficiency decreases.

Positioning accuracy and localization algorithm with relative measurement errors in blast-off platforms
OUYANG Xiaofeng, ZENG Fangling, LYU Daqian, DONG Tianbao, HAN Yijing
2024, 50(1): 187-197. doi: 10.13700/j.bh.1001-5965.2022.0240
Abstract:

In response to the high-precision relative positioning requirements for precise collaborative operations involving distributed blast-off platforms, this research proposes a relative ranging and positioning model based on ultra wide band (UWB) sensors. It analyzes the error factors and noise components of UWB modules under non-ideal conditions with antenna phase center errors, ranging refresh rates, and hover stability. To improve the overall performance of ranging and positioning, the noise component in UWB measurements is identified and analyzed by Allan variance, and the colored noise model along with estimated parameters are integrated into the measurement update of the positioning algorithm. The relative positioning of distributed blast-off platforms is then obtained through improving the expanded Kalman filter. Simulation experiments show that when the UWB measurement noise follows a non-Gaussian distribution, the position estimation accuracy of the proposed algorithm is 23.43% higher than that of the traditional EKF algorithm. Compared to traditional algorithms, the proposed algorithm reduces the influence of measurement color noise, thereby increasing relative positioning accuracy in satellite navigation-denied environments.

Characterization of influence of fiber arrangement on CFRP induction heating curing process
FU Tianyu, YANG Ning, GU Yunfei, XU Jiazhong, JIANG Yue, LI Bin
2024, 50(1): 198-207. doi: 10.13700/j.bh.1001-5965.2022.0259
Abstract:

In the process of using electromagnetic induction heating to achieve the curing and shaping of carbon fiber reinforced Polymer (CFRP) materials, accurately characterizing the property parameters of the material's various components is of utmost importance in studying temperature, degree of curing, and stress field distribution during the heating process. We have established a finite element microanalysis model for CFRP induction heating based on the actual fiber layup method for independently characterizing the various components of the material and the equivalent electro-magnetic-thermal properties of the carbon fiber shell. This model separates the fiber texture and resin matrix, allowing for a systematic analysis of the changes in physical fields within the internal fiber structure of CFRP during the induction heating process and their effects on the overall temperature variation of the material. Through this model, we have computed the variations in material temperature, degree of curing, and stress field distribution, revealing the influence of carbon fiber arrangement on the effectiveness of induction heating. Furthermore, we have validated the model's ability to accurately represent the distribution states of various physical fields through induction heating experiments. This model provides an effective computational framework and analytical approach for studying the changes in various physical fields during CFRP induction heating.

Effect of critical eccentricity on forming accuracy of tubes in 3D free bending process
FAN Xin, CHENG Zonghui, LI Shaoxin, SHU Song, CHENG Cheng, GUO Xunzhong
2024, 50(1): 208-215. doi: 10.13700/j.bh.1001-5965.2022.0221
Abstract:

The tube is less limited during 3D free bending, and the eccentricity of the bending die determines the radius of the bend and the form of the bending axis. In order to accurately process the shape of the tube and improve the forming accuracy during the free bending process, a new free bending mechanical model was established for critical eccentricity. The influence of different friction coefficients and material parameters on the change of critical eccentricity were studied by using the finite element simulation and free bending tests. The findings have demonstrated that the experimental findings and the fitting outcomes of the U-R relationship with critical eccentricity are in a good agreement. With the increase of friction coefficient, the degree of plastic deformation of the bending tube increases, and the value of critical eccentricity and the bending radius are decreasing. Compared with SS304 tubes, the bending radius of the 6061 Al tube increases and the critical eccentricity decreases at the same process parameters.

Computing convex hull of a generic polygon with simulation of progressive support for an elastic line
CUI Yuping, LI Zihan, ZHENG Guolei
2024, 50(1): 216-223. doi: 10.13700/j.bh.1001-5965.2022.0246
Abstract:

The computation of the convex hull of the Jordan curve has found widespread application in recent years. A simulation of progressive support for an elastic line approach was suggested in this paper to determine the elastic envelope of a straightforward closed generic polygon. Based on the physical model, this algorithm could determine whether a point was a balanced fulcrum on the elastic envelope line by judging whether it was balanced by force. According to these findings, the algorithm performed different operations such as forward, spring-back, and jump respectively, until all the balanced support points were selected and the elastic envelope was eventually generated. The contrastive analysis of three typical generic polygons demonstrates that the proposed algorithm can solve the elastic envelope of arbitrary simple closed generic polygons synchronously, and it is robust, efficient, and universally applicable.

Dynamic prediction for aircraft ground deicing operation process
LI Biao, XING Zhiwei, WANG Liwen
2024, 50(1): 224-233. doi: 10.13700/j.bh.1001-5965.2022.0189
Abstract:

Aiming at the problem of fine management and low prediction accuracy of deicing operation process under ice and snow weather, a prediction method for aircraft ground deicing operation process based on the temporal and spatial correlation dynamic Bayesian network is proposed. A spatial-temporal correlation node identification method for departure deicing queue is developed based on a systematic analysis of the deicing operation process. The correlation node is then simplified using the K-nearest neighbor algorithm, and a dynamic Bayesian network model with variable structure is created. A priori probability density estimation method for deicing operation nodes based on kernel attention mechanism is studied. Combined with the conditional probability updating results, a dynamic prediction method for aircraft ground deicing support process for different states is constructed. A dynamic prediction approach for the aircraft ground deicing support process is built using the conditional probability updating findings in combination. The average absolute error is 2.34 min, and the whole accuracy is increased by 8.66% compared with static Bayesian network method, which can provide an effective decision-making basis for the tactical organization and control of ground deicing operations.

Application of active disturbance rejection control in gyro motor steady speed control
GUAN Yizhe, FENG Ming
2024, 50(1): 234-242. doi: 10.13700/j.bh.1001-5965.2022.0209
Abstract:

The performance of the gyroscope is impacted by the steadiness of the gyro motor’s rotating speed. To improve the stability control precision of the permanent magnet synchronons gyro motor (PMSGM), propose the method use of the active disturbance rejection control (ADRC) in the speed loop and a model-based adptive filtering algorithm in the filtering process. the ADRC was proposed to replace the traditional proportional integral (PI) control in the speed loop of the gyro motor vector control system to reduce the output jitter of the speed loop and improve the stability precision of gyro motor. While this was going on, a model-based adaptive filtering algorithm was put out to take the place of the conventional low-pass filtering algorithm. This algorithm does away with phase delay correction and produces a smoother, more precise waveform for the predicted back electromotive force. So the accuracy of rotor position angle estimation and steady speed control were improved. Therefore, the PMSGM vector controller was designed. The simulation and experimental results showed that the proposed method was better than traditional control methods, and it could effectively improve the speed control precision of gyro motor.

Thermal deformation analysis and experimental verification of spatial deployable antenna hinge
YANG Zhijie, ZHANG Congfa, ZHAO Ruijie, WANG Chunjie, ZHAO Junpeng
2024, 50(1): 243-249. doi: 10.13700/j.bh.1001-5965.2022.0219
Abstract:

The in-orbit thermal deformation analysis of space-deployable antennae is very important because it is one of the major factors impacting the accuracy of these antennae.With the increasing requirements of space exploration missions, the influence of hinge thermal deformation on the pointing accuracy of space-deployable antennae cannot be ignored. In order to calculate the relative angle changes of the main bending direction and side bending direction of the hinges with each temperature change of 10 ℃, a finite element model of the root and arm hinges of a spatial deployable antennae was established. The hinge precision test system was constructed based on the high and low-temperature chamber and electronic theodolite, and the hinge thermal deformation test was carried out. The experimental results show that the root hinge and the interarm hinge exhibit pure structural thermal deformation characteristics in the main and side bending directions. The simulation results are basically consistent with the experimental results, which verify the validity of the finite element model and experimental analysis method. According to the relative Angle changes of the main and side bending directions of the hinge, the effect of thermal deformation on hinge deformation was assessed. The modeling and experimental analysis method can provide a reference for the design, analysis, and optimization of deployable antennas in the same space and the analysis of the factors affecting the accuracy of similar deployable mechanisms.

Topological optimzation of phase change heat sink performance in different gravity fields
WANG Shisong, YIN Jianbao, XING Yuming, HOU Xu, WANG Zixian
2024, 50(1): 250-259. doi: 10.13700/j.bh.1001-5965.2022.0222
Abstract:

To enhance the performance of phase change heat sink based heat sinks, the topology optimization of a sorbitol/aluminum phase change heat sink based heat sink is carried out using solid isotropic material with penalization (SIMP) method. Numerical investigations on phase change heat sink with topologically optimized fins (I) and straight fins (II) under the constant gravity (0~20g) and periodic gravity are presented. Dimensionless numbers are used to compare the thermal performance of the two heat sinks. The results show that heat sink I performs better than heat sink II. Under the same gravity environment with 80 ℃ as the goal, the temperature control time of the heat sink I is extended by up to 26.8% on average. Under the microgravity and low gravity, heat conduction dominates the heat sinks, of which the thermal performance is slightly inferior to that under conventional gravity. The natural convection of the liquid PCM driven by supergravity significantly enhances the heat transfer. For heat sink I, the temperature control time of 10g is 8.94% higher than that of conventional gravity, and the periodic gravity has an inhibitory effect at the same Ra*. Research findings provide guidance for detailing the design of aircraft phase change heat sinks .

Sliding mode control for electric braking systems of aircraft based on prescribed performance
XIE Mingjun, DUAN Jingqi, MA Wenran, JIA Yuhong
2024, 50(1): 260-267. doi: 10.13700/j.bh.1001-5965.2022.0229
Abstract:

The aircraft’s electric antiskid braking system has strong nonlinear characteristics, and the interference in the electromechanical actuator (EMA) is not conducive to system stability, a sliding mode backstepping control method based on finite-time prescribed performance control is proposed. An electric antiskid braking system model with slip rate subsystem and EMA subsystem is established based on reasonable simplification with the finite time convergence prescribed performance function introduced. Based on the backstepping design, a finite-time prescribed performance control algorithm is designed to generate reference braking pressure for the slip rate controller, which can limit the slip tracking error in the predefined bounds within a finite time by appropriately choosing design parameters. Using a control algorithm for the nonsingular terminal sliding mode, the EMA controller is designed. To improve EMA subsystem robustness and precision, an extended state observer is designed, which can estimate and compensate the disturbances. Simulation results verity the control effects of the proposed method for dry and ice runways.

Joint DOA and DOD estimation of bistatic MIMO radar coherent targets based on smoothing matrix sets optimization
YOU Zhiyuan, HU Guoping, ZHOU Hao, ZHENG Guimei
2024, 50(1): 268-275. doi: 10.13700/j.bh.1001-5965.2022.0173
Abstract:

Due to the rank-deficient phenomenon of the covariance matrix in coherent targets estimation, a algorithm based on diversity smoothing optimization for joint estimation of coherent target wave direction of departure (DOD) angle and direction of arrival (DOA) is proposed to solve the problems of poor accuracy and low angular resolution of coherent target detection by bistatic multiple input multiple output (MIMO) radar. The proposed algorithm can construct a more effective smooth matrix sets for joint angle estimation of coherent targets through diversity smoothing and reducing the covariance matrix. Perform diversity smoothing on the transmit array and receive array, construct transmit sub-vectors, and calculate their covariance matrix. Smooth and reconstruct the covariance matrix of each transmit sub-vector and then perform weighting to obtain a forward smoothing matrix. The forward smoothing matrix is transformed by conjugate flipping and other transformations, and the forward and backward smoothing matrix is obtained, on which the singular value decomposition (SVD) is then performed. The spatial spectrum of the signal is estimated by using the reduced dimension multiple signal classification (RD-MUSIC) algorithm, and the automatic pairing of DOD and DOA is realized. The proposed algorithm effectively improves the direction performance of bistatic MIMO radar for coherent targets, and the feasibility of the proposed algorithm is proved by experiments.

Dynamic planning technology of civil spare parts based on aircraft state
KANG Zixu, ZHOU Dong, LI Huixin, GUO Ziyue, CHEN Chengzhang, SONG Zicheng
2024, 50(1): 276-285. doi: 10.13700/j.bh.1001-5965.2022.0177
Abstract:

Civil aircraft spare parts affect flight safety and the cost of spare parts accounts for the highest proportion of airlines' controllable costs. It is significant to make spare parts planning on the premise of ensuring flight safety. A spare parts quantity model is built based on the Markov birth and death process. Supply rates for spare parts are determined according to the spare parts' security level and repair time limit. A spare parts dynamic programming model is established aiming at minimum cost while meeting a certain supply rate. Based on aircraft status, the effect of historical failure data, seasonality, daily utilization rate, and fleet size on spare parts coverage was examined. To reduce the discrepancy between the proposed model’s calculated results and the actual demand, the seasonal differences in failure rate, daily utilization rate, and seasonal differences in aircraft parking losses were evaluated. The proposed model is verified by the example of the ERJ-190 Display Unit. Results are consistent with the actual operation of the airline, which proves that the proposed model can provide technical support for spare parts planning.

Learning sparrow search algorithm of hybrids boundary processing mechanisms
WANG Zikai, HUANG Xueyu, ZHU Donglin, YAN Shaoqiang, LI Quan, GUO Wei
2024, 50(1): 286-298. doi: 10.13700/j.bh.1001-5965.2022.0195
Abstract:

A learning sparrow search algorithm called HSSA that combines a boundary processing mechanism is proposed in order to address the sparrow search algorithm's (SSA) insufficient population distribution during the initialization stage and the optimization process' insufficient interference from local optimal solutions. Using the Piecewise map initializes the population, which improves the population distribution. In order for the position updates of the following generation to be guided by the optimal solution data of each generation, the follower and vigilante are updated individually using the sorted pairing learning and competitive learning procedures. According to the optimization characteristics of different stages, a multi-strategy boundary processing mechanism is formulated. While preserving the population size, it provides a more reasonable search location for individuals beyond the boundary. After 12 simulation experiments of reference functions, the stability of HSSA in convergence speed and the efficiency of optimization are proved by means of ablation experiment and Wilcoxon rank sum test.

Tightly-coupled GNSS/INS spoofing detection algorithm for LS-SVM and robust estimation
KE Ye, LYU Zhiwei, ZHOU Wenlong, DENG Xu, SHANG Xiangyong, WU Wenbo
2024, 50(1): 299-307. doi: 10.13700/j.bh.1001-5965.2022.0231
Abstract:

The traditional spoofing detection algorithm suffers from a prolonged time of detecting ramp spoofing with small slopes, a high false alarm rate, and a high missed detection rate. Therefore, this study proposes a spoofing detection algorithm with tightly-coupled global navigation satellite system (GNSS) and inertial navigation system (INS) based on least squares-support vector machine (LS-SVM) and robust estimation. The algorithm effectively mitigates the influence of spoofing on innovation by adaptively adjusting the gain matrix with robustness. It then replaces the spoofing innovation in the filter with the forecasted innovation obtained by LS-SVM regression of the training data set optimized with robustness, thus further improving the detection and processing ability of ramp spoofing with small slopes. Simulation results show that when detecting 0.1 m/s ramp spoofing, the proposed algorithm can shorten the detection time by 26.65%, reduce the false alarm rate by 40.63% and improve the positioning accuracy by 72.72%, compared with the traditional algorithm. The proposed algorithm has the advantages of fast detection and low false alarm rate, suitable for ramp spoofing detection of tightly integrated GNSS/INS navigation users.

Kinematic analysis and continuous gait planning of lunar-based equipment in walking state
HE Tianyu, DONG Yang, TAN Limeng, WANG Yan, ZHAO Junpeng, WANG Chunjie
2024, 50(1): 308-316. doi: 10.13700/j.bh.1001-5965.2022.0232
Abstract:

A design and analysis approach and continuous gait planning scheme of quadruped lunar-based equipment (LBE) based on the same chain configuration are suggested in order to address the issues of challenging configuration design and complex gait analysis of lunar probes with buffer and walking functions. The multi-functional landing leg mechanism and the multi-state pose of the whole machine are designed. Then, the single-leg kinematics model of LBE is constructed. Its forward and inverse kinematics are solved. The workspace and motion performance of the single leg and the whole machine in a walking state are analyzed. Moreover, the continuous gait planning for the LBE on the horizontal lunar surface is carried out, and the one-step trajectory of the foot pad is designed. The motion stability of the landing leg mechanism and the walking gait stability of the LBE are confirmed through the virtual prototype model simulation. The simulation results show that the LBE operates continuously and stably along the forward direction, the vertical floating of the centroid accounts for only 0.24% of the height of the whole device, and the maximum swing amplitude of pitch angle and roll angle are 0.34° and 0.27°.

Automatic summarization model of aerospace news based on domain concept graph
HUANG Haoning, CHEN Zhimin, XU Cong, ZHANG Xiaoyan
2024, 50(1): 317-327. doi: 10.13700/j.bh.1001-5965.2022.0233
Abstract:

The effectiveness of subsequent intelligence analysis can be increased by comprehending and compressing the vast amount of aerospace information that is hidden in the Internet's aerospace news. However the general automatic summarization algorithms tend to ignore many domain key Information, and the existing supervised automatic summarization algorithms need to annotate a lot of data in the domain text. It is time-consuming and laborious. Therefore, we proposed an unsupervised automatic summarization model TextRank based on domain concept graph (DCG-TextRank). It is based on a domain concept graph, which uses domain terms to help guide graph ordering and improve the model's understanding of domain text. The model has three modules: domain concept graph generation, graph weight initialization, graph sorting and semantic filtering. Transform the text into domain concept graph containing sentence nodes and domain term nodes according to sentence vector similarity and domain term database. Initialize the domain concept graph weight according to the features of aerospace news text. Use the TextRank algorithm to sort the sentences, and in the semantic filtering module, the output of TextRank is improved by clustering the graph nodes and setting the semantic retention of the abstract, which fully preserves the semantic Information of text and reduces redundancy. The proposed model is domain portable, and experimental findings indicate that in the aerospace news dataset, the proposed model performs 14.97% better than the conventional TextRank model and 4.37%~12.97% better than the supervised extraction text summary models BertSum and MatchSum.

Remaining useful life prediction based on implicit nonlinear Wiener degradation process
YANG Jiaxin, TANG Shengjin, LI Liang, SUN Xiaoyan, QI Shuai, SI Xiaosheng
2024, 50(1): 328-340. doi: 10.13700/j.bh.1001-5965.2022.0243
Abstract:

Accurate remaining useful life prediction helps to improve the reliability and safety of the system and reduce the economic cost of the whole life cycle of the system. In engineering applications, due to the influence of uncertain measurement, the nonlinear degradation characteristics of stochastic degradation systems are in an implicit state. Since lifetime distribution estimation and degradation modeling are now the two main applications for the implicit scale transformation nonlinear Wiener degradation process, a remaining useful life prediction approach for this process is provided in this study. The parameters are updated online in accordance with the field degradation data of the equipment by the Kalman filtering approach, after the degradation model based on the nonlinear Wiener process is constructed and takes into account both measurement errors and nonlinear deterioration through scale transformation. The analytical expression of the probability density function and cumulative distribution function of remaining useful life considering online updating of model parameters are derived. Then, based on the historical degradation data, a maximum likelihood unbiased estimation method for the unknown parameters of the implicit scale transformation nonlinear Wiener degradation process model is proposed. The simulation degradation data and actual turbofan engine data are used for experimental verification. The experimental results show that the remaining useful life prediction method considering both measurement uncertainty and nonlinear degradation characteristics obtains higher prediction accuracy.

Numerical simulation of deformed airfoil modal after blast shock wave
XIAO Liangfeng, ZHOU Lanwei, LI Xiangdong
2024, 50(1): 341-349. doi: 10.13700/j.bh.1001-5965.2022.0244
Abstract:

The effects of explosive mass, blast azimuth, and blast distance on the degree of damage to typical airfoils were investigated using the finite element method in order to analyze the damaging effect of typical airfoils under the action of blast shock wave and its structural dynamics following damage. The relationship between the deformation and the model of the wing structure was analyzed. The findings indicate that the wing structure damage and the modal frequency will be affected to varying degrees by changes in shock wave strength and action position. The changes in the shock wave intensity and action position will have different degrees of influence on the damage to the wing structure and the modal frequency. As the shock wave intensity increases, the earlier the wing structure deforms, and the deformation becomes larger the corresponding modal frequencies of all orders also drop more quickly, of which the second-order frequency decreases by 15.02% at most. When the explosion point was located directly above the center of the wing, the deformation of the wing was greatest. When the shock wave acts on the center of the wing, with the modal natural frequency of the undamaged wing, the modal frequency of each order showed the largest reduction, ranging from 8.29% to 15.02%.

Experimental and simulation study on fatigue multi crack fusion of 2195-T8 Al-Li alloy
PANG Chuang, LIU Dejun, TIAN Gan, GUO Wei, LIU Debo
2024, 50(1): 350-358. doi: 10.13700/j.bh.1001-5965.2022.0249
Abstract:

As an alloy material widely used in aerospace, the study of fatigue fracture behavior of aluminum-lithium alloy is of great significance to the evaluation of structural safety. The third generation Al-Li alloy 2195-T8 is taken as the research object, and the fatigue crack propagation behavior of 2195-T8 Al-Li alloy is tested and simulated by constant amplitude tensile fatigue test and finite element method. Based on the microscopic measurement and observation of the cross-section, multiple initial cracks were introduced into the simulation model, and then the fusion and propagation process of multiple cracks was simulated. The results show that before crack fusion, under the action of fatigue cyclic load, the value of stress intensity factor at the crack tip increases continuously, and the volume of the plastic region increases gradually; when the cracks fuse with each other, the stress intensity factor at the crack surface increases instantaneously, the stress intensity facto is much higher than the value of the rest of the crack tip. With the further fusion of the crack, the value of the stress intensity factor at the tip tends to be stable; after the crack is completely fused, it reaches the stage of rapid crack expansion, the volume of the plastic region increases in direct proportion to the expansion step, and the growth rate is first fast, then slow; finally, the crack surfaces meet and merge into a new elliptical shape crack surface.