2. 空间电源系统技术创新联合实验室, 北京 100094
2. Joint Laboratory of Technology Innovation for Space Power Supply System, Beijing 100094, China
推进系统作为航天器的一个子系统,其功能在于为航天器轨道转移、位置保持提供推力,为姿态控制提供力矩。根据能量来源和转换方式的不同,推进主要可分为化学推进、电推进、核推进、动量转换推进和无工质推进等。推进剂携带量和有效比冲是推进系统的重要指标,制约着航天器的寿命。
与传统化学推进相比,电推进具备高比冲、可长时间工作的特点,可大幅减少推进工质质量,对于长寿命、大功率通信卫星和深空探测等飞行总冲量需求大的任务,是非常有前途的推进方式[1]。
目前,较为成熟的3种常见电推进方式有:电弧电推进、离子电推进和霍尔电推进。电弧电推进相对比较简单,可靠性较高,但其比冲比较低,因而在轨飞行数量较少。霍尔电推进和离子电推进具有比冲高、寿命长、效率高和综合性能好等优点,是目前国际上通信卫星和深空探测最广泛使用的两类推力器[2-4]。
典型的电推进系统由电源处理单元(Power Processing Unit,PPU)、推力器和贮供系统组成[5]。PPU的技术指标取决于推力器,PPU电压范围从350 V(霍尔推力器)到1.9 kV(大功率离子推力器),功率范围从数百瓦(SMART-1、AlphaSat、GOCE)到3~6.5 kW(AlphaBus HPEPS大功率推力器、BepiColombo)[6]。
随着大功率电推进系统的发展,PPU的功率等级越来越高,高效、高功率密度成为PPU发展的方向。本文以5 kW功率等级PPU为研究对象,介绍国内外的电推进技术发展情况,重点针对大功率、高效PPU高压电源进行介绍,从电力电子技术的拓扑、器件和控制方法3个角度分析PPU未来的发展趋势与难点。
1 PPU简介PPU是电推进系统的主要组成部分,其功能是将航天器的母线电压转换为推力器启动、工作所需的各种电压和电流。同时,具备故障保护与恢复功能,可以接收上位机指令执行开关机动作,并可将PPU运行数据以遥测的形式发送给上位机。
典型的离子PPU由屏栅电源(Beam Supply,BS)、加速电源、阳极电源、阴极加热电源、阴极点火电源、中加热电源、中触持极电源以及中点电源组成。其中,屏栅电源输出功率占总功率的80%以上,输出稳态工作电压在1 000 V以上。典型的霍尔PPU由阳极电源、励磁电源、加热电源和点火脉冲电源组成。其中,阳极电源输出功率占总功率的90%以上,稳态工作电压在300 V以上。因此,屏栅电源和阳极电源的设计分别成为高压大功率离子PPU和霍尔PPU设计的关键和核心。
2 国内外研究现状 2.1 国外研究现状国外先进的卫星平台已经广泛使用电推进技术。美国波音公司的BSS-601HP平台采用XIPS-13作为电推进系统、BSS-702平台采用XIPS-25作为电推进系统,日本NASDA公司的ETS系列平台配备了IES-12离子电推进系统,ALENIA SPAZIO公司ARTEIS卫星配备了UK-10、RIT-10离子电推进系统,欧洲泰雷兹-阿雷尼亚公司的Spacebus 4000平台、Astrium公司的Eurostar 3000平台和劳拉公司的LS 1300平台装备了基于SPT-100的电推进系统,欧洲预研卫星AlphaBus平台和Luxor平台均采用了电推进系统[7-8]。可见,电推进系统已成为衡量一个卫星平台是否先进的重要指标,其在卫星平台上的应用已成为一种必然趋势。
随着技术的发展,电推进不仅应用在航天器南北位置保持、东西位置保持中,而且具备轨道转移、姿态控制和动量轮卸载能力。目前,国际上已有型号任务支持的5 kW等级PPU研制情况如表 1所示。
| 指标 | BPT-4000 | XIPS-25 | T6 |
| 最大功率/kW | 4.5 | 4.5 | 4.6 |
| PPU质量/kg | 12.5 | 21.3 | 23 |
| PPU效率/% | 92 | 91~93 | 92~95 |
| 制造商 | Aerojet Rocketdyne | L-3 | Astrium Crisa |
| 输入电压/V | 68~74 | 95~100 | 95~105 |
| 飞行经历 | AEHF(6颗) | HS702(许多) | 水星计划(2018) |
2.1.1 BPT-4000霍尔电推进系统
国外大中型高轨通信地球同步轨道(Geostationary Earth Orbit,GEO)卫星平台广泛配置高性能霍尔电推进系统,实现轨道提升和在轨位置保持等任务,极大地增加GEO卫星平台的载干比。目前,GEO卫星平台采用霍尔电推进系统的包括:美国的A2100M、LS 1300;俄罗斯的MSS-2500、UPS以及US-KMO;欧洲的Eurostar 3000、Spacebus 4000和AlphaBus。
基于A2100M平台的美国新一代先进极高频军用通信卫星AEHF率先使用5 kW多模式霍尔电推进系统完成部分轨道提升和在轨位置保持,为平台减轻了908 kg的质量。AEHF卫星发射后,远地点发动机未能工作,最终由霍尔电推进系统进行大部分的轨道提升,拯救了超过20亿美元的卫星[9]。
BPT-4000配套PPU由洛克希德·马丁和Aerojet Rocketdyne公司在1.5 kW PPU的技术基础上进行研制。BPT-4000使用的PPU主要由电磁干扰(EMI)滤波模块、加热点火电磁铁(HKM)集成电源模块、阳极电源模块、辅助电源模块、输出滤波模块、流量控制电子设备、电磁阀驱动器以及遥控/遥测I/O接口等组成,结构框图如图 1所示[10]。图中:Xe为氙气;XFC为氙流量控制器。
阳极电源功率为5 kW,由2个2.25 kW的电源模块并联组成,每个电源模块功率变换电路中均采用电流反馈技术提高其抗单粒子翻转的扰动能力。EMI滤波模块用于滤除从母线到PPU的差模和共模干扰,而输出滤波模块主要用于抑制霍尔推力器工作时等离子体振荡对PPU的噪声干扰。
HKM集成电源模块包括触持极、空心阴极加热器和推力器磁线圈等多路电源输出。其中,空心阴极加热器和推力器磁线圈电流具有16级调整能力。HKM的多路输出设计比多个独立电源所需元器件数量大大减少。PPU内部的数字逻辑电源由辅助电源模块提供。
2.1.2 XIPS-25离子电推进系统2012年,美国波音公司获得4颗BSS-702SP全电推卫星的商业定单。其中,ABS-3A和SATMEX-7卫星已于2015年3月2日发射升空。BSS-702SP采用XIPS-25离子电推进系统实现全部轨道转移和位置保持任务,取消了化学推进系统。
XIPS-25包含2个全冗余的子系统,每个子系统都由PPU、贮供系统和2台离子推力器组成。XIPS-25支持卫星的轨道转移、姿态控制、南北位置保持、东西位置保持、动量轮卸载以及寿命末期的离轨等任务。
XIPS-25可工作在2种功率模式。大功率模式下,PPU提供4.5 kW功率,屏栅电源工作在1.2 kV/3A。此时,推力器产生165 mN推力,比冲Isp为3 500 s。大功率模式仅用于入轨阶段。大功率模式的连续工作时间可达500~1 000 h。小功率模式下,推力器输入功率为2.2 kW,用于位置保持。推力器产生79 mN推力,Isp为3 400 s。
XIPS-25的PPU由7个独立电源组成。电源处理器输入母线电压为100 V,功能包含:给推力器提供可调电压、启动时序、故障保护和清除电路以及推力器和离子电源控制器(XIPS Power Controller,XPC)遥测。
2.1.3 T6离子电推进系统1992年,欧洲首次在空间任务中使用电推进,之后出现了多种电推进概念。欧洲最近一次成功应用电推进是在2009年发射的GOCE卫星上,采用QinetiQ T5离子推力器。即将发射的任务包括AlphaSat、BepiColombo和Small Geo飞行器[11]。
ESA的BepiColombo水星探测器预计将于2018年发射。BepiColombo采用离子电推进系统作为推进系统。离子推力器采用QinetiQ公司提供的T6,而PPU则由西班牙Astrium Crisa公司抓总进行研制。
T6离子推力器PPU由屏栅电源和阳极电源-加速电源-中和器电源(Discharge-Accelerator-Neutralizer Supply,DANS)2个部分组成。屏栅电源由Astrium Germany负责研制,而DANS则由Astrium Crisa负责研制。
BepiColombo探测任务要求电推进分系统同时具备4台推力器均可单独工作以及任意2台推力器同时工作时可提供290 mN推力的能力。因此,电推进分系统总体结构设计如图 2所示。
|
| 图 2 BepiColombo的电推进分系统结构框图 Fig. 2 Structure diagram of electric propulsion subsystem for BepiColombo |
BepiColombo电推进分系统由2台PPU、4台推力器以及4个流量控制单元(Flow Control Unit,FCU)组成。每台PPU可以为2个推力器和2个FCU供电。PPU和FCU、推力器之间通过推力器切换单元(Thruster Switching Unit,TSU)实现交叉互联冗余,使系统保证即使单台PPU发生故障,仍旧可以为4台推力器和FCU供电,确保2台推力器同时满功率工作。
2.2 国内研究现状2012年,兰州空间技术物理研究所的离子电推进系统和上海空间推进研究所研制的霍尔电推进系统在“SJ-9A”卫星上进行了首次飞行试验[12],均为1 kW等级PPU,主要功能是为卫星南北位置保持的电推进供电。
随着轨道提升、动量轮卸载等应用的发展以及高载干比、高比冲航天器需求的迫切,我国提出了对5 kW等级PPU的需求。目前,国内正在进行5 kW离子PPU和5 kW霍尔PPU的研制[13],未来将应用于我国全电推通信卫星以及深空探测等领域。关键攻关技术包括:高压大功率电源可靠性技术,多模式PPU控制技术,高效率、高功率密度电源拓扑设计等。5 kW等级PPU不仅支持卫星的在轨位置保持,同时支持变轨工作。
总体而言,我国已经具备亚千瓦级霍尔和千瓦级离子推进技术基础,但仍在电源功率密度、功率等级、工作效率、高压元器件和可靠性等方面与国外先进水平差距超过10年[14-15]。为了更好、更快地发展我国空间电推进技术,超越国外先进技术,必须大力发展大功率电推进系统,实现高效PPU,为电推进的型号应用奠定基础。
3 大功率PPU技术 3.1 大功率电源拓扑设计 3.1.1 全桥拓扑“深空1号”专门针对美国NASA Solar-Electric-Power Technology Application Readiness(NSTAR)任务而研制。该深空探测任务采用离子电推进系统,其中,PPU功率等级为2.3 kW,由NASA GRC(格林研究中心)负责研制。
为解决宽动态范围和高功率要求,NSTAR的屏栅电源选取了全桥非谐振拓扑结构,如图 3所示。屏栅电源包含4个独立的电源模块,每个电源模块的输入为80 Vdc,输出为300 Vdc。每个电源模块串联实现,如图 4所示。每个电源模块采用脉宽调制方式,顺序调节,由输入和输出决定。
|
| 图 3 全桥拓扑结构 Fig. 3 Full-bridge topology structure |
|
| 图 4 NSTAR屏栅电源拓扑结构 Fig. 4 Topology structure of beam supply for NSTAR |
当输入为80 Vdc,输出为1 100 Vdc,模块1~3占空比为100%,模块4占空比约为66%,这样保证4个模块中的3个工作在效率最大点,而第4个模块处于调整状态。因此,输出端的电压纹波大幅减小,相对于单端变换器来说,输出端的滤波电容的体积也大幅减小。
全桥拓扑的优点是结构简单、器件少,有利于减轻电源重量和体积。然而,开关管的导通和关断为硬开关控制,器件应力大、开关损耗大。在大功率场合,会降低PPU效率,增加散热难度,为热控增加负担。
3.1.2 双桥移相拓扑为了满足土星观测器、海王星轨道飞行器、彗星取样返回航天器以及金星取样返回航天器等GEO和深空探测任务的需要,NASA提出了对5~10 kW等级离子PPU的需求。Boeing Electron Dynamics Devices(BEDD)承担了该PPU的研制[16]。
屏栅电源占整个PPU功率的91%,是设计高效率PPU的重点。屏栅电源由4个1.1 kW模块组成,如图 5所示。每个子模块采用双桥拓扑,简化电路如图 6所示,原边侧由2个全桥电路并联组成,副边侧则由二极管进行整流。每个全桥的工作频率为50 kHz,模块的开关频率输出为100 kHz。
|
| 图 5 NASA的5 kW屏栅电源拓扑结构 Fig. 5 Topology structure of 5 kW beam supply for NASA |
|
| 图 6 双桥DC/DC变换器 Fig. 6 Dual-bridge DC/DC converter |
双桥移相拓扑的优点是开关频率高、可降低滤波元件的体积。控制方法灵活,支持PWM控制和移相控制,在高压输出模式,移相控制可使电源工作在零电压开关(ZVS)或零电流开关(ZCS),减小开关、提高转换效率。其缺点在于:电路参数选取较难;低压输出下,PWM控制属于硬开关,降低了变换器转换效率。
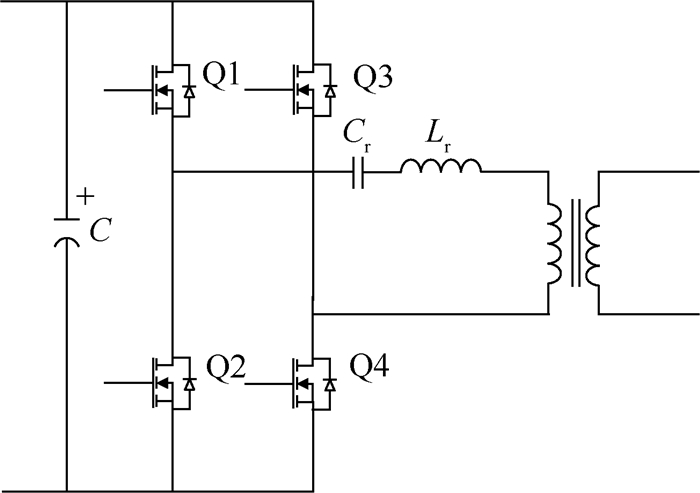
3.1.3 全桥谐振拓扑针对5 kW功率等级PPU的屏栅电源,Astrium Germany设计了一种高效、环路控制简单“DC输出串联变换器”,如图 7所示。主变换器采用谐振型隔离DC/DC拓扑,传输整体电压的80%~90%,占主要部分;小功率变换器采用推挽式结构,用于传输剩余的电压。推挽式变换器的输入端直接与直流母线相连,输出端与主变换器输出端串联。整体效率主要取决于主变换器,仅有少量功率需要经推挽式变换器变换[17]。
|
| 图 7 BepiColombo屏栅电源拓扑结构 Fig. 7 Topology structure of beam supply used in BepiColombo |
LC串联谐振变换器如图 8所示。图中:谐振电容Cr与谐振电感Lr构成串联谐振网络,逆变器的输出电压注入谐振网络获得近似正弦波电流,流入高频变压器中,因此变压器上的涡流损耗大幅降低,相比于非谐振型双向全桥DC/DC变换器,变换器的整体效率得到较大提高。
|
| 图 8 LC谐振型DC/DC变换器 Fig. 8 LC resonant DC/DC converter |
LC串联谐振型双向全桥DC/DC变换器的不足在于:高频变压器的电流与逆变电路的电流一致,开关管承受较大的电流应力,同时谐振网络的能量也存在一定局限。为解决上述问题,多种复合谐振网络相继取代单级谐振网络,典型的复合谐振网络主要为LLC拓扑和LCL拓扑[18-19],如图 9所示。目前,针对LLC谐振变换器的研究更多。
|
| 图 9 LLC与LCL谐振型DC/DC变换器 Fig. 9 LLC and LCL resonant DC/DC converters |
谐振型DC/DC变换器的优点在于:变换器拥有更大的谐振能量;轻载及空载条件下效率高于串联谐振变换器;可在全负载范围内实现ZVS软开关,提高电源变换效率。然而,电感、电容等元器件的引入会增加电源质量,且控制实现更加复杂,总体设计时需要对质量和效率进行折中考虑。
3.2 大功率器件选型电源变换依靠开关器件以及变压器实现。随着PPU向着10 kW及更高功率等级需求的增加,新器件被逐渐应用在大功率电源的设计中。图 10所示为Astrium Germany研制PPU的优化过程。可以看出,采用Flatttop拓扑、SiC功率二极管以及新型高压变压器后,效率从原理样机阶段的91%逐步提升到97%[20-23]。
|
| 图 10 Astrium Germany公司的效率提升过程 Fig. 10 Efficiency improvement made by Astrium Germany |
2012年,NASA GRC的PPU项目组设计了一台15 kW功率等级的PPU。其中,阳极电源由2个7.5 kW的电源并联组成[24]。变换器的逆变部分采用了基于SiC MOSFET的全桥拓扑,整流部分则采用了基于SiC肖特基二极管的1个不控整流桥。经过与NASA 300 M 20 kW霍尔推力器成功联试,结果表明,基于SiC器件的阳极电源效率可以超过97%,显著高于基于Si基器件的电源效率。
SiC基器件阻断电压高、通态电阻低、开关损耗小且耐高温工作,与传统Si基相比具有更好的特性,若将其应用于大功率PPU中,可以显著提高电源开关频率、提高效率和功率密度[20-21]。其缺点在于:目前SiC器件的价格昂贵,其空间环境适应性有待飞行验证。
3.3 大功率电源控制方法全桥式变换电路具有功率变压器利用率高、功率开关器件电压和电流额定值较小等明显优点,是中大功率和高可靠性应用场合首选。主要控制方法包括:普通PWM控制、移相控制和变频谐振控制。
3.3.1 普通PWM控制普通PWM控制工作频率恒定,通过控制占空比实现控制输出功率,如图 3所示,H桥斜对角的功率开关管Q1和Q4、Q2和Q3分别为一组,每组开关管同时导通或截止。2组开关管Q1和Q4、Q2和Q3通过PWM方式交替开通和关断,开通时间均不超过半个周期,即导通角均小于180°。PWM控制的驱动信号时序如图 11所示。
|
| 图 11 PWM控制驱动时序 Fig. 11 Time sequence of PWM driven control |
PWM控制优点在于:应用广泛,技术成熟。大功率应用场合PWM控制的缺点在于:变换器工作在硬开关状态,使得开关损耗大,从而限制电源效率。同时,会带来较高的di/dt与dv/dt,造成严重的开关噪声。
3.3.2 移相控制移相控制以全桥变换作为电路拓扑,采用软开关进行控制。其结合了普通PWM与谐振PWM的特点,基本工作原理为:同一桥臂的2个开关管Q1和Q2、Q3和Q4互补导通,2个桥臂的导通时间相差一个移相角,如图 12所示。通过调节移相角即可实现调节输出电压。
|
| 图 12 移相全桥控制驱动时序 Fig. 12 Time sequence of phase shifting full-bridge driven control |
移相技术具有实现软开关的功能,可以降低系统损耗,减小EMI。其缺点在于:轻载时,滞后臂开关损耗大,降低系统效率。
3.3.3 移相/PWM混合控制移相/PWM混合控制是根据变换器输出电压的大小决定控制方式。在图 7所示的结构中,2个桥分别称为领先臂和滞后臂,滞后臂桥可直接增加输出电压。选取合适的电路参数,滞后臂桥可运行于零电流开关。领先臂桥则可运行于零电压开关。
在高压输出时,采用移相控制,所有MOSFET工作在50%占空比,通过调节Q1和Q3或Q2和Q4开关之间的移相角实现对输出电压的调节。移相控制下的门极驱动信号如图 13所示。
|
| 图 13 双桥移相控制驱动时序 Fig. 13 Time sequence of dual-bridge phase shifting driven control |
在低压输出时,变换器支持传统的PWM控制。当移相角达到180°后,无法再通过调节移相角减小输出电压。此时,将控制方式切换为PWM控制,随着占空比的增加,输出电压成正比增加。直到占空比达到50%,PWM控制无法再提高输出电压,控制方式切换到移相控制,便可获得更高的电压。
移相/PWM混合控制充分发挥了移相和PWM 2种控制方式的特点。在移相控制下,输出电压不会低于变压器电压;在PWM控制下,输出电压不会超过变压器电压,极大地减小了输出电感的体积和质量。此外,在移相控制时,负载电流由2个桥共同均流,减小了传导损耗,提高了效率。
3.3.4 变频谐振控制谐振变换器的控制策略主要包括2种:移相控制和变频控制。其中,变频控制分为谐振电感电流连续模式(Current Continuous Mode,CCM)和谐振电感电流断续模式(Discontinuous Current Mode,DCM)2种情况[25-26]。
移相控制的开关频率恒定,通过调节占空比控制输出电压。占空比较大时,超前管与滞后管都可以实现零电压开关。占空比较小时,滞后管会出现容性开通的情况,其反并二极管存在反向恢复,导致相当大的损耗[27]。轻载时,因滞后管开关损耗较大,移相控制的谐振变换器在大功率场合中的应用受限。
变频控制下的谐振变换器,通过合理设计谐振频率和开关频率,可以使开关管在全负载范围内实现零电压开关或零电流开关。
采用变频控制后,流过谐振变换器高频变压器的电流近似为正弦波,谐波含量明显降低,减少了高频变压器的涡流损耗,并且更易实现开关管的软开关。其缺点在于:当推力器负载特性大幅变化时,所需开关频率也大幅变化,为电路中磁性元件以及滤波器优化设计造成困难。
4 大功率PPU技术发展趋势随着航天高比冲、长寿命和高功率密度电推进技术的发展,大功率PPU成为空间电源领域的一个研究热点,得到越来越多的关注,促进了高效高压电源拓扑、控制方法以及器件的发展。以美国以及欧洲为代表,总结其大功率PPU技术发展,表现出以下特点:
1) 向高压电源方向发展。转移轨道对电推进电源的需求,离子电推进PPU屏栅电源已经从1 000 V发展到1 500~1 900 V,促进了新型电力电子拓扑在空间的应用。
2) 大功率电源需要具备高效特性,进而减小热控需求,提高功率密度。基于软开关控制的高压电源能更好地满足高效电源需求。
3) 由位置保持功能扩展为兼具转移轨道推进、动量轮卸载等功能,PPU功率由1 kW发展为5 kW,并向着10~20 kW发展。大功率的需求促进了高压元器件技术在空间应用的评估与发展。
5 结束语综上所述,国外大功率电推进电源处理技术的发展主要是对高压、高效大功率电源进行研究,以满足未来GEO通信卫星、深空探测的发展需求,支持轨道提升、南北位置保持以及运量轮卸载等。重点实现了模块化拓扑设计、软开关控制以及基于新一代元器件设计控制技术,支撑电推进技术的快速发展。
致谢
感谢中国空间技术研究院通信卫星事业部自主研发基金对本课题研究的支持。
| [1] | 温正, 王敏, 仲小清. 多任务模式电推进技术[J]. 航天器工程, 2014, 23 (1) : 118 –123. WEN Z, WANG M, ZHONG X Q. Multitask mode electric propulsion technologies[J]. Spacecraft Engineering, 2014, 23 (1) : 118 –123. (in Chinese) |
| [2] | 周志成, 王敏, 李烽, 等. 我国通信卫星电推进技术的工程应用[J]. 国际太空, 2013 (6) : 40 –45. ZHOU Z C, WANG M, LI F, et al. Engineering application of electric propulsion in Chinese communication satellite[J]. International Space, 2013 (6) : 40 –45. (in Chinese) |
| [3] | 段传辉, 陈荔莹. GEO卫星全电推进技术研究及启示[J]. 航天器工程, 2013, 22 (3) : 99 –104. DUAN C H, CHEN L Y. Research and inspiration of all-electric propulsion technology for GEO satellite[J]. Spacecraft Engineering, 2013, 22 (3) : 99 –104. (in Chinese) |
| [4] | ARASTU A.Advances in technologies for high power SEP missions:AIAA-2012-3977[R].Reston:AIAA, 2012. |
| [5] | GOLLOR M, FRANKE A, BOSS M, et al.Electric propulsion electronics activities in Europe-2013:AIAA-2013-3609[R].Reston:AIAA, 2013. |
| [6] | GOLLOR M, BOSS M, DE LA CRUZ F, et cl.Electric propulsion electronics activities in Europe-2011:AIAA-2011-5517[R].Reston:AIAA, 2011. |
| [7] | SCALAIS T, FRASELLE S, BOURGUIGNON E.Power processing unit activities at Thales Alenia Space Belgium (ETCA)[C]//The 33rd International Electric Propulsion Conference.Washington, D.C.:IPEC Press, 2013. |
| [8] | KAMHAWI H, HAAG T, HUANG S, et al.High voltage hall accelerator propulsion system development for NASA science missions[C]//2013 IEEE Aerospace Conference.Piscataway, NJ:IEEE Press, 2013. |
| [9] | FISHER J, WILSON A, KING D, et al.The development and qualification of a 4.5 kW hall thruster propulsion system for GEO satellite applications[C]//27th International Electric Propulsion Conference.Washington, D.C.:IPEC Press, 2001. |
| [10] | 杭观荣, 邱刚, 余水淋, 等. 霍尔电推进在AEHF卫星上应用对我国霍尔电推进发展的启示[J]. 真空电子技术, 2013 (3) : 5 –11. HANG G R, QIU G, YU S L, et al. Inspiration application of Hall electric propulsion on USA's AEHF satellites to electric propulsion development of China[J]. Vacuum Electronics, 2013 (3) : 5 –11. (in Chinese) |
| [11] | PHELPS T K, WISEMAN S, KOMM D S, et al.Development of the next power processing unit:AIAA-2003-4867[R].Reston:AIAA, 2003. |
| [12] | 王少宁, 成钢, 赵登峰. 空间离子电推进系统电源处理单元设计[J]. 真空与低温, 2011, 17 (4) : 235 –240. WANG S N, CHENG G, ZHAO D F. Design of a power processing unit for space ion electronic propulsion system[J]. Vacuum and Cryogenics, 2011, 17 (4) : 235 –240. (in Chinese) |
| [13] | 王少宁, 王卫国. 适用于30 cm离子推力器的5 kW电源处理单元设计[J]. 航天器工程, 2013, 22 (5) : 74 –79. WANG S N, WANG W G. Design of a 5 kW modular power processing unit for 30 cm ion thruster[J]. Spacecraft Engineering, 2013, 22 (5) : 74 –79. (in Chinese) |
| [14] | 杭观荣, 洪鑫, 康小录. 国外空间推进技术现状和发展趋势[J]. 火箭推进, 2013, 39 (5) : 7 –15. HANG G R, HONG X, KANG X L. Current status and development trend of space propulsion technologies abroad[J]. Journal of Rocket Propulsion, 2013, 39 (5) : 7 –15. (in Chinese) |
| [15] | 韩泉东, 洪鑫, 周海清. 空间推进技术需求与发展分析[J]. 火箭推进, 2012, 38 (2) : 9 –15. HAN Q D, HONG X, ZHOU H Q. Analysis on requirement and development of space propulsion technology[J]. Journal of Rocket Propulsion, 2012, 38 (2) : 9 –15. (in Chinese) |
| [16] | PINERO L R, BOND T, OKADA D, et al.Design of a modular 5 kW power processing unit for the next generation 40 cm ion engine:NASA/TM-2002-211359[R].Cleveland:NASA, 2002. |
| [17] | GOLLOR M, BOSS M, HERTY F, et al.Generic high voltage power supply-Next generation:AIAA-2007-5215[R].Reston:AIAA, 2007. |
| [18] | 戴欣, 施惠, 孙跃. 复合谐振型非接触电能双向传输模式[J]. 西南交通大学学报, 2013, 48 (3) : 487 –493. DAI X, SHI H, SUN Y. An LCL composite resonant-type bi-directional contactless power transfer mode[J]. Journal of Southwest Jiaotong University, 2013, 48 (3) : 487 –493. (in Chinese) |
| [19] | LI X D, RATHORE A K.Steady-state analysis of a dual-bridge LLC inverter[C]//20127th IEEE Conference on Industrial Electronics and Applications(ICIEA).Piscataway, NJ:IEEE Press, 2012:769-774. |
| [20] | AGARWAL A, CALLANAN R, DAS M, et al.Advanced HF SiC MOSFET devices[C]//13th European Conference on Power Electronics and Applications.Piscataway, NJ:IEEE Press, 2009:1-10. |
| [21] | JIANG D, BURGOS R, WANG F, et a1. Temperature dependent characteristics of SiC devices:Performance evaluation and loss calculation[J]. IEEE Transactions on Power Electronics, 2012, 27 (2) : 1013 –1024. DOI:10.1109/TPEL.2011.2159624 |
| [22] | KANECHIKA M, UESUGI T, KACHI T.Advanced SiC and GaN power electronics for automotive systems[C]//2010 International Electron Devices Meeting.Piscataway, NJ:IEEE Press, 2010:1-4. |
| [23] | ALMAZ E, STONE S, BLUE T E, et a1. The effects of neutron irradiation and low temperature annealing on the electrical properties of highly doped 4H silicon carbide[J]. Nuclear Instruments and Methods in Physics Research Section A:Accelerators, Spectrometers, Detectors and Associated Equipment, 2010, 622 (1) : 200 –206. |
| [24] | PINERO L R, SCHEIDEGGER R J, AULISIO M V, et al.High input voltage discharge supply for high power Hall thrusters using silicon carbide devices[C]//The 33rd International Electric Propulsion Conference.Washington, D.C.:IPEC Press, 2013. |
| [25] | 夏冰, 阮新波, 陈武. 高压大功率场合LCC谐振变换器的分析与设计[J]. 电工技术学报, 2009, 24 (5) : 60 –66. XIA B, RUAN X B, CHEN W. Analysis and design of LCC resonant converter for high voltage and high power applications[J]. Transactions of China Electrotechnical Society, 2009, 24 (5) : 60 –66. (in Chinese) |
| [26] | 张治国, 谢运祥, 袁兆梅. LCC谐振变换器的电路特性分析[J]. 电工技术学报, 2013, 28 (4) : 50 –57. ZHANG Z G, XIE Y X, YUAN Z M. Analysis of circuit characteristics of LCC resonant converter[J]. Transactions of China Electrotechnical Society, 2013, 28 (4) : 50 –57. (in Chinese) |
| [27] | BELAGULI V, BHAT A K S. Series-parallel resonant converter operating in discontinuous current mode analysis, design, simulation, and experimental results[J]. IEEE Transactions on Circuits and Systems I:Fundamental Theory and Applications, 2000, 47 (4) : 433 –442. DOI:10.1109/81.841845 |


