2025 Vol. 51, No. 9

Display Method:
Volume 9 Issue E-journal
Volume 51 Issue92025
iconDownload (62364) 335 iconPreview
A review of Bayesian network structure learning
MENG Guanglei, CONG Zelin, SONG Bin, LI Tingting, WANG Chenguang, ZHOU Mingzhe
2025, 51(9): 2829-2849. doi: 10.13700/j.bh.1001-5965.2023.0445
Abstract:

Bayesian networks, as a tool combining probability theory and graph theory, have the ability to efficiently handle uncertain reasoning and data analysis, and are widely used in various fields to solve complex engineering problems. Furthermore, the model can be learned by combining prior knowledge and training samples, overcoming the limitations of establishing the model solely relying on expert knowledge. Based on this, the development history of Bayesian networks was reviewed. The proposed Bayesian network structure learning algorithms were classified and summarized from three aspects: constraint-based methods, rating-based methods, and hybrid search algorithms respectively, and the current research status of various algorithms was summarized and analyzed. Since the data in practical applications often have incompleteness, the research status of incomplete Bayesian network structure learning is explained from two dimensions: missing data processing and latent variable learning. The application of Bayesian networks in different fields is expounded and summarized, and the development trend of future research on Bayesian network structure learning algorithms is discussed.

Influence analysis of flexure support characteristics on performance of inertial reference unit
LI Xingfei, HAN Jiaxin, TUO Weixiao, LIU Yaqi, WANG Tianyu
2025, 51(9): 2850-2859. doi: 10.13700/j.bh.1001-5965.2023.0461
Abstract:

The combination of compound axis tracking and aiming with an inertial reference unit (IRU) is the main technical means to reject vibration interference of moving platform and improve tracking and aiming accuracy. IRU usually adopts flexure support structure to avoid the defect of large moment of inertia of frame structure. The characteristics of the flexure support structure are the key factors to determine the bandwidth of IRU disturbance rejection. The influence of flexure support characteristics on IRU performance was quantitatively analyzed. Firstly, based on the mass-stiffness-damping model, the transfer function model of IRU system was established, and its accuracy was verified. Then, the parametric analysis method was used to study the influence of disturbance transmission characteristics and physical parameters of flexure support on the disturbance rejection ability of IRU system. Finally, a Simulink simulation model of IRU double-loop (velocity inner loop-position outer loop) control system was built. The influences of flexure support stiffness characteristics on IRU disturbance rejection ability and stabilization precision under a given vibration environment were simulated and analyzed. The results show that the disturbance transmission characteristics of the flexure support determine the ability of the system to reject high-frequency disturbance. Reducing the rotational stiffness of the flexure support can effectively improve the disturbance rejection ability of the IRU system but aggravate the negative impact of sensor noise and driver ripple on the stabilization precision of the IRU system.

Longitudinal autonomous separation control of aircraft in random wind fields based on MPC
TANG Xinmin, LU Xiaona
2025, 51(9): 2860-2871. doi: 10.13700/j.bh.1001-5965.2023.0414
Abstract:

In view of the fact that the high altitude wind, a random factor, often leads to poor robustness of the longitudinal separation between two aircraft in the longitudinal autonomous separation maintenance problem under the random disturbance of track, this paper proposed a longitudinal autonomous separation control method based on model predictive control (MPC). Firstly, the linear time-varying prediction model was developed by establishing the nonlinear kinematics differential equation of the longitudinal separation and the wind field difference between the two aircraft. The longitudinal separation and route deviation distance of the two aircraft was selected as the optimization objectives, the vacuum speed and yaw angle of the front aircraft were taken as the measurable disturbances, and the high-altitude wind was the random disturbance. Terminal equality constraints were added to the air safety and aircraft performance constraints to maintain the stability of the system. To verify the effectiveness of the proposed method, within the specified 120-second simulation time, this article set three sets of different expected separations of 12 km, 13 km, and 14 km. Through the design of an MPC controller, the vacuum speed and yaw angle of the following aircraft were controlled during the rolling time domain cycle. The separation curve between the two aircraft is relatively smooth and always not less than the minimum safety separation of 10 km. It stabilized at the expected target separation in the 74th second, 90th second, and 118th second, and returned to the route starting from the 58th second, 74th second, and 95th second. Two sets of wind field control groups were set up. Two times as much wind was forecast in one group, while eight times as much turbulent wind was disturbed in the other. Both groups were able to establish the expected interval of 12 km smoothly and stably in the 61th second and 72th second, respectively.

Singing voice separation method using multi-stage progressive gated convolutional network
LUO Qingyu, ZHANG Tianqi, XIONG Tian
2025, 51(9): 2872-2881. doi: 10.13700/j.bh.1001-5965.2023.0419
Abstract:

To solve the problems that current singing voice separation algorithms based on convolutional neural network (CNN) have semantic differences in the fusion of high- and low-layer features and ignore the potential value of speech features in channel dimension, this paper proposed a stacked multi-stage progressive gated convolutional network to achieve singing voice separation. Firstly, a gated adaptive convolution (GAC) unit was designed in each level of subnetwork to fully learn and extract the time-frequency features of songs and enhance competition and cooperation between the feature channels. Then, to reduce the semantic errors in the fusion of shallow and deep network information, a gated attention mechanism was introduced between the codec layers of the subnetwork. Finally, supervised attention (SA) was proposed for different levels of subnetwork to selectively deliver effective information flow and realize progressive learning of multi-stage networks. Comprehensive comparative experiments were carried out on a large dataset and a small dataset publicly available. The results show that compared with the representative models in recent years, the algorithm has certain advantages in separating singing voice and background accompaniment.

Open-circuit fault diagnosis of power tubes in power converter of dual three-phase starter-generator system
WANG Huaji, LIU Yu, SUN Gaoyang, LI Dehong, XU Jinquan
2025, 51(9): 2882-2893. doi: 10.13700/j.bh.1001-5965.2025.0425
Abstract:

The aerospace dual three-phase permanent magnet assisted synchronous reluctance starter-generator system’s power converter had an open-circuit fault diagnosis issue. To address this, a single-phase open-circuit fault diagnosis and localization method for power tubes based on the bus voltage and z1-z2 coordinate system current was proposed. Firstly, the starter-generator and power converter model were established by using the vector space decomposition method. Next, using this model, the single-phase double-tube open-circuit and single-phase single-tube open-circuit fault characteristics represented in the power converter’s DC bus voltage and z1-z2 coordinate system current trajectory were examined. A single-phase single-tube open circuit and single-phase double-tube open circuit fault diagnosis and location method based on z1-z2 coordinate system current and DC bus voltage was proposed to detect the occurrence of faults and determine the fault location. The experimental platform ultimately confirmed the method’s efficacy. The experimental findings show that the technique is capable of identifying and diagnosing power converter single-phase power tube open-circuit failures. This in turn provides important guidance for fault-tolerant operation after the fault occurs.

Nighttime image dehazing based on non-uniform atmospheric light correction model
LIN Sen, ZHA Ziyue
2025, 51(9): 2894-2905. doi: 10.13700/j.bh.1001-5965.2023.0437
Abstract:

To address the problems of low brightness, glow, and color distortion caused by artificial light sources in nighttime hazy images, this paper proposed a nighttime image dehazing algorithm based on a non-uniform atmospheric light correction model. Firstly, according to the imaging characteristics of non-uniform atmospheric light, the traditional atmospheric scattering model was modified by adding surface illumination light and glow terms. Secondly, the near-light source coefficient was determined based on image intensity and saturation components, and the glow term was accurately estimated to correct the non-uniform atmospheric light. Then, based on the dark channel prior (DCP) and multi-scale Retinex enhancement algorithm with color restoration ability, the study adopted guided filtering to solve the block effect of transmittance and the linear fusion to solve the problem of excessive enhancement. Finally, Gaussian high-pass filter was used for enhancing the details of the image to obtain the final clear image. The experimental results show that nighttime hazy images restored by the proposed algorithm have natural color, rich details, and high visibility. Compared to classical algorithms such as dark channel prior, as well as novel algorithms like contrast enhancement and exposure fusion (CEEF), the proposed algorithm reduces the color difference by about 15%, improves the peak signal-to-noise ratio by about 15%, and enhances the average gradient by about 8%, having more advantages in qualitative and quantitative experiments.

Rolling bearing fault diagnosis method based on MSDCNN in strong noise environment
LEI Chunli, SHI Jiashuo, MA Shuzhen, MIAO Chengxiang, WAN Huiyuan, LI Jianhua
2025, 51(9): 2906-2915. doi: 10.13700/j.bh.1001-5965.2023.0456
Abstract:

To address the poor anti-noise performance, high computational complexity, and insufficient generalization performance of traditional bearing fault diagnosis methods based on deep learning, this paper proposed a rolling bearing fault diagnosis method based on multi-scale dynamic convolutional neural network (MSDCNN). Firstly, the one-dimensional vibration signal of the rolling bearing was transformed into frequency domain by Fourier transform, and the features werefurther extracted by wide convolution kernel. Secondly, a multi-scale dynamic convolution structure was presented, and an improved channel attention mechanism wasutilized to assign different weights to the feature information extracted by convolution kernels of different sizes. Then, a self-calibrating spatial attention mechanism (SCSAM) was designed to capture the importance of different regions by inputting the extracted feature information into the spatial attention mechanism. Finally, the features were further extracted by the small convolution kernel, and the Softmax classifier was used to classify faults. Two different data sets were used to verify the fault diagnosis performance of the proposed model. The experimental results show that the proposed model has higher classification accuracy, better generalization ability, and stronger robustness under strong noise background than other intelligent modelssuch as multi-scale deep convolutional neural network (MSD-CNN) and wide convolutional kernel convolutional neural network (WKCNN).

Trajectory tracking for aircraft tug based on MPC
ZHANG Jun, HUANG Minghui, WANG Yuelin, YANG Xing, YE Min, JIA Yongle
2025, 51(9): 2916-2926. doi: 10.13700/j.bh.1001-5965.2023.0431
Abstract:

To meet the short and high frequency demands of quick aircraft towing at logistics airports, a rapid towing method based on unmanned driving technology is proposed. Using the technical route and method of “theoretical modeling-algorithm design-case test and simulation optimization-prototype experiment”, a kinematic model of the towing vehicle is constructed for a 10-ton aircraft towing vehicle, the vehicle’s constraint conditions and control quantities are determined, and the A* algorithm is improved by adding collision avoidance processing, minimum turning radius, and path smoothing to generate the motion trajectory of the towing vehicle. A trajectory tracking controller based on model predictive control (MPC) is designed, and a joint simulation model of MATLAB/Simulink and ADAMS is constructed. The control parameters of MPC are optimized through trajectory tracking simulation experiments, and trajectory tracking experiments are carried out on the modified electric aircraft towing vehicle prototype. The results show that the improved A* algorithm meets the requirements of aircraft towing vehicle work path planning and minimum turning radius, the joint simulation method optimizes the MPC controller, achieves good tracking accuracy on the prototype, with standard deviation of tracking errors for curve paths and straight paths being 0.362 m and 0.128 m respectively, realizes the unmanned driving function of the aircraft towing vehicle, and lays the technical foundation for unmanned aircraft towing at smart logistics airports.

Resilience measurement and optimization strategy of air cargo secure supply chain
ZHAO Zhenwu, XING Xiaoxiao, GENG Shuo
2025, 51(9): 2927-2936. doi: 10.13700/j.bh.1001-5965.2023.0499
Abstract:

To enhance the resilience level of the air cargo security supply chain, elastic measurement is conducted based on the theory of elastic triangles to address the disturbance caused by the deviation of designated routes in the land transportation process. In the recovery phase, in order to seek the optimal elasticity, with the goal of maximizing elasticity, the optimal recovery strategy is solved under the constraints of recovery level, equipment quantity, and recovery time, that is, to determine the security inspection methods to be adopted at the airside cargo terminal, the cargo inspection volume of each security inspection method, and the number of security inspection equipment used. Taking Shenzhen Bao'an International Airport as an example, route deviation is selected as the disturbance event for analysis. The results indicate that as the total amount of goods or disturbance duration increases, the elasticity of the air cargo security supply chain decreases; The priority of each security check method is determined by the speed of security checks, the number of security check equipment, and the detection rate of prohibited items when allocating the amount of goods for inspection; Reducing market disruptions, increasing safety rates, and improving prohibited item detection rates can enhance the resilience of the air cargo security supply chain.

Efficiency of aircraft autonomous conflict resolution based on evolutionary games
WANG Hongyong, GUO Yupeng
2025, 51(9): 2937-2946. doi: 10.13700/j.bh.1001-5965.2023.0478
Abstract:

To solve the problem of autonomous path planning for aircraft, this article proposes a game coordination method for aircraft autonomous conflict resolution, and discusses the game efficiency of this method under various game strategy settings for aircraft. First, based on evolutionary Game theory, a game model of aircraft conflict resolution is constructed. By calculating the replication dynamic equation between adjacent game rounds, the aircraft iterative evolution of its game selection preference is promoted, and the game system is accelerated to reach Partial equilibrium; Construct a Jacobian matrix and determinant to analyze the stability of each Partial equilibrium solution in the game, and prove that there is one and only one Partial equilibrium solution in the game system is stable, and all aircraft participating in the game will tend to this equilibrium solution; Conduct simulation experiments using ZSSSAR01 sector airspace data, set multiple aircraft game strategies, and analyze the game time required for each strategy to reach an equilibrium state. The simulation results show that rational gamers have high game efficiency and can reach equilibrium on average within 5.31 rounds of the game; Radical and conservative gamers will accelerate and slow down the equilibrium process of the game, respectively; Non cooperative gamers will significantly slow down the game equilibrium process, requiring an average of 110.53 rounds of gaming. The operating cost compensation strategy based on non-cooperative gamers will accelerate this process (with an average of 86.87 rounds).

A real-time estimation method for stall angle of attack of icing aircraft
JIANG Feihong, LIU Zhenbao, XUE Yuan, KONG Manzhao, ZHAO Tian
2025, 51(9): 2947-2954. doi: 10.13700/j.bh.1001-5965.2023.0420
Abstract:

Based on the wind tunnel test data of a transport aircraft with ice and the analysis of icing lift characteristics, it is concluded that icing has little effect on the lift coefficient in the small angle of attack (AOA) range. An online principal component estimation algorithm of lift coefficient polynomial based on prior knowledge enhancement was designed to overcome the ill-conditioned problem of data matrix due to insufficient excitation and collinearity between regression variables. The maximum lift coefficient and stall AOA were estimated by using the good linear relationship between the slope variation of the lift curve and the maximum lift coefficient after icing. Compared with traditional methods, the designed method has significant advantages such as high maturity, good real-time performance, and no need for active excitation. Simulation results show that the estimation accuracy can meet the requirements of AOA protection, and the designed method has good engineering application prospects.

Trajectory optimization of high-altitude balloon in nearspace-ground collaborative observation
QU Yi, WANG Sheng, FENG Hui, LIU Qiang
2025, 51(9): 2955-2967. doi: 10.13700/j.bh.1001-5965.2023.0471
Abstract:

The requirement of collaborative observation by high-altitude balloon network and ground-based network is increasingly urgent. And coverage consistency is one of its critical problems affecting observation performance, which faces many challenges such as time-varying network topology, limited balloon control ability, and complicated wind field in near space. To improve the coverage consistency of high-altitude balloon network and ground-based network in cooperative observation, high-altitude balloon with secondary airbag but without propulsion device is studied, its trajectory control approach is analyzed from both the vertical direction and the horizontal direction, and its coverage in earth observation is discussed. Considering the time-variant position of high-altitude balloons, a performance index is designed to evaluate the coverage consistency, and a trajectory optimization algorithm for high-altitude balloon is proposed based on whale optimization algorithm. Simulations are carried out under many inputs. And simulation results show that the proposed algorithm can improve the coverage consistency significantly, especially in summer and autumn wind fields with quasi-zero wind layer.

Airborne sensor multi-task scheduling algorithm based on slide time window
RAN Huaming
2025, 51(9): 2968-2978. doi: 10.13700/j.bh.1001-5965.2023.0488
Abstract:

Aiming at the problem that the multi-task scheduling efficiency of the airborne sensor task management system was reduced due to the execution time window conflicts among multiple task requests, the task scheduling constraint information, include the forward slide time window and the back slide time window of each task, is depicted according to the task request information, such as the executable time window of each task request, and a multi-task scheduling algorithm for the airborne sensor is designed based on the slide time window. Firstly, task requests that can be executed within the scheduling period are selected, and a list of tasks to be scheduled is generated based on priority sorting. Then, multiple time slices are formed by calculating the time overlap relationship between each task to be scheduled and each existing scheduling scheme, and the scheduling scheme set is continuously updated by determining whether the task to be scheduled can be inserted into the extended time slice. Finally, the optimal airborne sensor task scheduling scheme is selected from the scheduling scheme set. The simulation results show that the median scheduling efficiency of the designed algorithm can reach over 96.52% of the optimal algorithm’s scheduling efficiency, and the scheduling efficiency and computational time of the designed algorithm are rarely affected by the scheduling scale and granularity of the task time, the designed algorithm has strong adaptability.

Fire source localization for long short-term memory networks based on Bayesian optimization
ZHANG Wei, CHANG Benqiang, YANG Xu, XIONG Xiao
2025, 51(9): 2979-2986. doi: 10.13700/j.bh.1001-5965.2023.0482
Abstract:

Civil aviation aircraft cargo compartment fires often occur in high-altitude, low-temperature and low-pressure environments, posing a significant threat to aircraft safety. A Bayesian optimization (BO) based long short-term memory (LSTM) neural network model (BO-LSTM) is proposed to quickly locate fire source and take specific means for fire suppression. In BO-LSTM model, time series data are fully analyzed to investigate the spatiotemporal correlation between fire characteristics (smoke, temperature, CO concentration) and fire source by using LSTM network. Meanwhile, the Bayesian algorithm is employed to search for the optimal LSTM network hyperparameter combination to improve model robustness and accuracy. In this paper, simulation study was used to validate the proposed BO-LSTM method: 8 widely used aircraft cargo compartment models were built by Pyrosim® fire simulation software at a scale of 1∶1, and 10 fire source positions were randomly selected in each cargo compartment model to simulate fire data at low-temperature and low-pressure conditions. The experimental results demonstrate that the distance error between predicted fire location and true fire source was less than 0.1 meters, and the predicted two-dimensional fire source localized within the true fire source range. The performance of LSTM neural network has been improved dramatically by the Bayesian optimization method and make it a suitable tool for aircraft cargo compartment fire source localization at the environment of low-temperature and low-pressure.

Flutter suppression method for multi-freepalys folding fin based on sliding mode control and fin shaft drive
REN Haoyuan, CHENG Tao, ZHANG Cheng, CAI Yipeng, LIU Fei, ZHANG Weiqun
2025, 51(9): 2987-3000. doi: 10.13700/j.bh.1001-5965.2023.0466
Abstract:

The folding fin of a high-speed vehicle demonstrates nonlinear dynamic behavior during flight due to freeplays in the connection structure, and the aeroelastic active suppression technology is an important solution. Because the axis rotation displacement of the inner fin is the only input parameter for the full-motion folding fin, a new method is proposed to realize the active flutter suppression of multi-gap folding fin, by controlling the rotation of the rudder axis based on the sliding mode control. Firstly, based on the three-dimensional folding fin model and the piston theory aerodynamic method, the linear spring model is used to describe the connection stiffness of the folding mechanism, and a four-degree-of-freedom folding fin dynamic model is derived. The feasibility and control mechanism of the fin shaft drive for the flutter suppression of linear folding fin system are illustrated. Further, the connection stiffness model of the folding mechanism is changed to the clearance nonlinear spring, and the behavior of the multi-clearance nonlinear folding fin aeroelasticity response is analyzed. The flutter suppression effect of multi-clearance nonlinear folding rudder is analyzed. The results show that: for the folding fin in this paper, the plunging and flapping clearances increase the flutter speed, while the pitching clearances reduce the flutter speed; the sliding mode control can effectively improve the flutter speed of linear and clearance nonlinear folding fin. The methods and results of this paper provide an engineering solution for the design and aeroelastic control of the folding fin system.

Prediction of aeroengine rotor unbalance considering multi-source errors in assembly process
ZHOU Tianyi, HU Lei, ZHAO Suo, JIN Xiaoxiao, WANG Shiyu, GAO Hang
2025, 51(9): 3001-3010. doi: 10.13700/j.bh.1001-5965.2023.0438
Abstract:

To address the difficulty in predicting the unbalance of aeroengine rotors assembled by complex assembly system, this paper proposed a numerical simulation method for unbalance considering multi-source errors, aiming to achieve the reliable traceability design of the accuracy of workpiece group and its assembly system. Firstly, the transmission principle among process parameters, multi-source errors, relative pose, and unbalance during the rotor assembly process was clarified. Quantitative characterization models were established for typical rotor part manufacturing errors, flange and spigot pose measurement errors, and multi-degree-of-freedom installation mechanism motion errors. Then, a Monte Carlo simulation algorithm for rotor unbalance was designed based on the above models. It realized unbalance prediction under different assembly conditions. For the analysis case of a low-pressure turbine rotor simulator, the accuracy of its assembly system was optimized inversely through comprehensive sensitivity analysis. The qualified rate of corresponding simulated unbalance reaches 99.8%. The proposed simulation method provides reliable accuracy design reference. Finally, assembly verification experiments were carried out. The results show that the deviation rates between the averages of the experimental unbalance and the predicted unbalance are all less than 10%. Thus, the proposed prediction method has high accuracy.

Hard landing risk prediction of civil aircraft based on GBDT-GS method
WANG Xiangzhang, MOU Ruifang, WANG He, XU Bohao
2025, 51(9): 3011-3019. doi: 10.13700/j.bh.1001-5965.2023.0443
Abstract:

Hard landing may cause structural damage of aircraft or other potential accident causes and even crash and fatal flight accidents. In view of the lack of physical nature analysis in current hard landing risk assessment, combined with flight status analysis, a hard landing risk prediction model based on gradient boosting decision tree (GBDT) and grid search (GS) was proposed to effectively implement hard landing risk identification and grade criteria and improve pilots’ landing operation quality. Firstly, the flight kinematics equation of landing was established through the force analysis of aircraft, and five flight status parameters closely related to hard landing were determined. Then, flight status data was extracted from onboard quick access recorder (QAR) data to construct a data set. According to QAR parameter characteristics, the hard landing risk prediction model was constructed by the GBDT algorithm, and model parameters were optimized by GS. Finally, taking the Chengdu-Shenyang route operation of an airline as an example, the study selected 530 pieces of QAR data to train and test the model and compared the result of the model with those of random forest, recurrent neural networks (RNN), and Logistic multiple regression. The results show that the GBDT-GS method is better than other algorithms in predicting hard landing risk, and its prediction accuracy reaches 92%, which verifies the objective validity of the constructed model.

Detection method for complex dark spots on plastic gears based on U-Net++ and feature fusion
FANG Yiming, SHI Zhaoyao, SONG Huixu
2025, 51(9): 3020-3029. doi: 10.13700/j.bh.1001-5965.2023.0418
Abstract:

Traditional defect detection algorithms exhibit poor performance in accurately detecting complex dark spots on the surface of plastic gears. There are three primary issues: firstly, inaccurately distinguishing the size and position of dark spots on the gear edge; secondly, a high rate of missed detection for light dark spots; thirdly, a tendency to misjudge the point gate as dark spots. This paper proposed an improved detection method for complex dark spots on plastic gears based on U-Net++ and feature fusion. The dark spot area was predicted through U-Net++ and corrected depending on gradient features. Multi-feature fusion analysis was utilized to provide the final judgment result, thus improving the accuracy and stability of complex dark spot detection. The test results demonstrate that the Pc value, which represents the accuracy of the detection results, is as high as 98.93%, and the average value of IoU, representing the accuracy of the segmentation results, reaches 0.864. In comparison to traditional defect detection algorithms and uncorrected deep learning algorithms, the proposed method increases the average value of IoU by 0.478 and 0.309, respectively.

Effects of oxygen-fuel ratio on combustion stability of a model rocket engine with hypergolic propellant
REN Yongjie, XU Boqi, CHU Wei, GUO Kangkang, TONG Yiheng, NIE Wansheng
2025, 51(9): 3030-3038. doi: 10.13700/j.bh.1001-5965.2023.0444
Abstract:

To estimate the effects of oxygen-fuel (O/F) ratio on the combustion stability of a model rocket engine with hypergolic propellant, experiments were carried out at different O/F ratios in a rectangular model engine with dual-liquid swirl coaxial injectors. The pressure oscillations and CH*-characterized heat release pulsations in the combustion chamber were simultaneously recorded by high-frequency pressure sensors and photomultiplier tubes (PMT). The effects of O/F ratio on combustion stability were obtained. The results show that the low-frequency oscillation of 41 Hz occurs in fuel mainfold after combustion initiation, which induces synchronous low-frequency oscillations in the combustion chamber during shutdown. In the process of increasing O/F ratio from 0.933 to 1.789, the combustion chamber undergoes a combustion stability transition process of stability, mild instability, first-order transverse instability, and second-order transverse instability. The amplitude of pressure oscillations in the 2W mode is only 4.69% of the mean combustion chamber pressure. By incorporating the PMT signal, it is found that the coupling of pressure and heat release signals is more obvious when combustion instability is more intense. Rayleigh index analysis based on the experimental data shows that the driving source of combustion instability in the 1W mode is mainly located at both sides of the combustion chamber, while suppression is found in the middle of the combustion chamber. The analysis suggests that the generation of combustion instability may be related to the interaction between the propellant and the combustion chamber walls.

Long-term infrared object tracking algorithm based on dynamic region focusing for anti-UAV
XIE Xueli, XI Jianxiang, LU Ruitao, YANG Xiaogang, ZHANG Tao, XIA Wenxin
2025, 51(9): 3039-3051. doi: 10.13700/j.bh.1001-5965.2023.0446
Abstract:

The misuse of unmanned aerial vehicles (UAV) is accelerating the development of anti-UAV technologies. Infrared detector-based tracking methods have gained special attention in the anti-UAV field, which, however, still face the problem of tracking failures caused by background interference. To enhance the precision and stability of infrared anti-UAV tracking in complex environments, this paper proposed a long-term infrared object tracking algorithm based on dynamic region focusing. Firstly, the Siamese backbone network based on feature pyramid was constructed to improve the feature extraction capability of the model for infrared UAV by the fusion of cross-scale features. Secondly, a dynamic region proposal network based on spatio-temporal joint constraints was proposed. Under the constraints of template appearance features and target motion information, the location probability distribution of the object was predicted over the entire image, and then the prior anchor box was guided to focus on the candidate regions, realizing a dynamic search region selection mechanism. The anti-background interference capability of local search and the recapture ability of global search were subtly integrated by focusing on the search area, which effectively mitigated the negative sample interference caused by global search and further enhanced the discriminability of target features. Experiments on the Anti-UAV dataset show that the proposed algorithm achieves precision of 0.895, a success rate of 0.649, and average accuracy of 0.656 with a tracking speed of 18.5 FPS. Compared with other advanced tracking algorithms, the proposed algorithm exhibits superior performance and demonstrates its effectiveness in handling complex tracking scenarios such as fast motion, thermal crossover, and similar distractors.

Design and simulation of guide star assisted moving faint object detection system
ZHANG Wei, FENG Wenquan, SUN Guotong, WANG Chunlei
2025, 51(9): 3052-3061. doi: 10.13700/j.bh.1001-5965.2023.0503
Abstract:

The detection of faint moving objects in space is widely used in aerospace and military fields. In order to improve the detection capability of the space object monitoring system, a guide star assisted detection system for moving faint objects is proposed and designed. The system consists of star map simulation, image denoising, centroid calculation, motion backpropagation and main focal plane imaging. Firstly, the star catalog and the starry sky environment are studied to ensure the accuracy of the star point position and noise simulation. Secondly, to realistically simulate the starry sky environment where the telescope is located, jitter errors, noise errors, and motion prior errors are introduced. At the same time, a guide star assisted method is designed to eliminate the above errors, and the system is adjusted through the motion back-transmission module. Experiments prove that the designed system can not only simulate the real star map, but also slow down the error influence of the star environment on the telescope.

Conflict evidence fusion method for single-subset focal elements
ZHOU Cheng, XU Da, CAO Zhendi
2025, 51(9): 3062-3070. doi: 10.13700/j.bh.1001-5965.2023.0449
Abstract:

To effectively fuse multi-source data and fully utilize multi-source data information, a conflict evidence fusion method for single-subset focal elements was proposed in response to evidence conflicts in fusion of multi-source data that only contains single-subset focal element evidence. Comprehensively considering the correlation between evidence and the uncertainty of the evidence itself, this study introduced the cosine of the included angle to measure the degree of conflict between evidence for correcting the deficiency of conflict coefficient and Jousselme distance. The combination of conflict coefficient and information entropy was used to construct judgment rules for evidence grouping, and then the evidence was modified with its support and credibility, so as to achieve effective fusion of single-subset focal element conflict evidence. With four typical conflict paradoxes as numerical cases, the proposed method is verified to be effective and feasible, and its fusion performance is better than that of the traditional evidence fusion method.

Optimization method of transition trajectory for tail-sitter unmanned aerial vehicles
ZOU Xu, LIU Zhenbao, ZHAO Wen, WANG Lina
2025, 51(9): 3071-3085. doi: 10.13700/j.bh.1001-5965.2023.0458
Abstract:

Most transition trajectories obtained by traditional optimization methods are not feasible in the actual flight process. Moreover, the robustness of these transition trajectories is poor due to not considering the retention of sufficient actuator margin. In order to solve this problem, a transition corridor-based transition method for tail-sitter unmanned aerial vehicle (UAV) is proposed. Considering a type of dual-rotor tail-sitter UAV, a nonlinear dynamic model is constructed by distinguishing the aerodynamic characteristics of the wing in the propeller airflow region from those outside the region. Inspired by the research on transition corridors for tilt-rotor aircraft, a transition corridor is designed. The feasibility of the transition corridor is improved by limiting the range of climb rate and pitch angle rate. A trajectory located inside the transition corridor with the maximum safety margin is chosen as the target transition trajectory by the optimization method. Then, the transition process of the tail-sitter UAV is regarded as a trajectory optimization problem. By solving the trajectory optimization problem, the optimal transition trajectory which is closest to the target transition trajectory and retains sufficient actuator margin is obtained. Finally, based on the designed transition control framework, hardware-in-the-loop simulation experiments and real flight tests are conducted. Simulation results are consistent with the real flight results, which prove that the designed transition method can guide the aircraft to complete the transition quickly and safely while retaining a certain actuator margin, avoiding such unfavorable conditions for the transition flight as excessive altitude increase, long transition time and actuator saturation.

Cumulative thermal deformation evolution under prelonged aerodynamic and thermal loads
LIU Shenshen, JIANG Bo, HAN Qinghua, YU Jing, YANG Xiaofeng, WEI Dong, ZHU Yandan, GUI Yewei
2025, 51(9): 3086-3097. doi: 10.13700/j.bh.1001-5965.2023.0486
Abstract:

Cumulative thermal deformations during long periods of aerodynamic thermal coupling and their associated adverse effects are issues that cannot be ignored for future hypersonic aircrafts with long endurance. For typical structures of hypersonic wing structure, a fully numerical aerodynamic/thermal/structural multi-field coupling cumulative thermal deformation prediction method is established, based on in-house numerical solvers, and in conjunction with adaptive time-stepping and two-way coupling strategy. Based on this method, an analysis of the cumulative thermal deformation characteristics and their causes of the wing structure under long-term aerodynamic/thermal co-activity was carried out, as well as the the deformation impacts on the aerodynamic characteristics were performed. The results of the study indicate that, due to the temporal and spatial scale differences of physical processes such as aerodynamic forces, aerodynamic heating, aerodynamic heat transfer and deformation response in wing structures, the cumulative thermal deformation exhibits three distinct nonlinear evolutionary stages: first development, second development, and full development. Moreover, it requires a considerable amount of time for various factors to fully develop and achieve stable accumulated deformation. The aforementioned evolution of accumulated thermal deformation behavior triggers the nonlinear changes in aerodynamic characteristics throughout the entire flight journey, resulting in adverse effects such as decrease of lift, decrease of lift-to-drag ratio and the deviation of pitching moment. Therefore, in the design of long-duration hypersonic aircraft in the future, these associated adverse effects need to be duly considered and actively addressed.

Fast sign-off method for wiring harness topology drawings
LEI Lu, WU Mingyu, GUO Zhibo, QIAO Xiaoli
2025, 51(9): 3098-3107. doi: 10.13700/j.bh.1001-5965.2023.0427
Abstract:

To address the low efficiency, the high error rate, and inability to adapt to intelligent production when wiring harness drawings are manually verified and signed off, this paper proposed a fast sign-off method for wiring harness topology drawings based on graph grammar and predicate logic. The method mainly consisted of two parts: graph reconstruction and graph parsing. In the process of graph reconstruction, to make the graph structure better reflect drawing data, predicate logic was introduced to extract graph resources, and the topology drawing was reconstructed into a standard graph. Graph parsing involved a graph grammar analyzer and a graph semantic analyzer. In the graph grammar analyzer, a graph grammar reduction algorithm was used to identify and analyze the graph structure, so as to judge whether there were structural errors in the drawing during the design process and to realize the logic check of the drawing. The graph semantic analyzer applied the reduction judgment to reconstructed graph information description and refers to the information uniqueness criterion for comparing the path information with the wire table after parsing to complete the matching detection of the trajectory information. On this basis, 12 groups of physical experiments were carried out. The experimental results show that this method can reduce the time required for signing off the wiring harness drawings from 3 hours to 9 seconds, and there is no missing recognition phenomenon in the process.

Situation awareness model based on resource supply-demand difference and understanding
WANG Yihang, LIU Shuang, WANYAN Xiaoru, FENG Chuanyan, ZHOU Sunxia, QIAN Chunying
2025, 51(9): 3108-3116. doi: 10.13700/j.bh.1001-5965.2023.0428
Abstract:

To further meet the development needs for human-machine interface of aviation equipment and to theoretically predict pilots’ situation awareness (SA) under the close combination of task with display and control interface design, this paper proposed a model for quantitative analysis of SA based on resource supply-demand difference and understanding. The model was based on the way the classical situation awareness rating technique (SART) scale defined SA, characterizing SA as the combination of resource supply-demand difference and understanding. The understanding was measured by multidimensional human-machine interface display format, while the resource supply-demand difference of task units was measured by combining task network analysis with multiple resource theory. To verify model validity, 30 subjects were selected to complete the simulated flight task in the airfield traffic pattern under different situation difficulties. The situation difficulty was adjusted by changing the simulated weather conditions, instrument display modes, and navigation map display modes. The SA was assessed under different situation difficulties by using subjective scales, flight performance, and eye movement indicators. The data analysis results show that the SA model results have good correlations with subjective (SART, crew awareness rating scale (CARS), and national aeronautics and space administration task load index (NASA-TLX) scales) and objective (manipulation performance, gaze entropy, and number of saccades) measurements. This preliminarily verifies the validity of the model. The proposed model can provide a theoretical basis and technical methods for the analysis and prediction of SA in combination with task flow design and display and control interface design features.

Influence of cold cloud radiation on thermal-dynamic characteristics of super-pressure balloon
HE Lan, LIU Qiang, YANG Yanchu, ZHU Rongchen, ZHOU Jianghua
2025, 51(9): 3117-3129. doi: 10.13700/j.bh.1001-5965.2023.0435
Abstract:

To investigate the influence of cold cloud radiation on the thermal-dynamic characteristics of super-pressure balloons, this paper proposed a thermal-dynamic model that incorporated cold cloud radiation characteristics for super-pressure balloons. First, the paper probed into the influence of cold cloud on the thermal environment of a super-pressure balloon at different relative heights. Then, it analyzed cold cloud characteristics including height, thickness, effective radius of cloud droplet, temperature, and water content and further described the radiation absorption, transmission, and reflection equations of cold cloud. On the basis of dynamic, kinetic, and thermal analyses, a thermal-dynamic model that incorporated cold cloud radiation characteristics was established for the super-pressure balloon, and a computer program was developed. Finally, measured data was used to verify the accuracy of the thermal-dynamic model and the program. Cold cloud data from the Fengyun satellite was introduced to simulate the thermal-dynamic characteristics of a super-pressure balloon under the influence of cold cloud radiation. The results show that cold cloud may lower the temperature of the super-pressure balloon and therefore exert influence on its flight velocity and altitude. When the cloud thickness and temperature reach a critical condition, the super-pressure balloon could not reach its designed flight altitude.

Radiation characteristics of multi-phase plumes containing ice crystals from orbit-control engines
LUO Wudi, REN Junxue, LI Zhihui, TANG Haibin
2025, 51(9): 3130-3140. doi: 10.13700/j.bh.1001-5965.2023.0439
Abstract:

To obtain the radiation characteristics of multi-phase plumes containing ice crystals from high-altitude orbit-control engines and analyze their influence on the telemetry effect, this paper deduced the gas radiation emission coefficient based on Einstein’s theory of radiation. In the light of the Mie theory of particle scattering, the study developed a radiation transfer model comprehensively considering gas and ice crystal radiation and ice crystal scattering. Based on the latest HITRAN2020 spectral line library, the study obtained through simulation the radiation characteristic parameters of multi-phase plumes containing ice crystals from high-altitude orbit-control engines and the radiation intensity distributions in the near-infrared and mid-wave and long-wave infrared bands and analyzed the main influencing factors of the radiation. The results show that the radiation of the engine plume researched in this study primarily includes scattered light in the near-infrared band and the thermal radiation of gas in the mid-wave and long-wave infrared band. In the near-infrared band, considering solar background radiation, the total radiation amount in the calculation domain is about 10−6 W/sr, and the thermal radiation is dominant within the axial distance of 0.5 m, while the ice crystal scattering is dominant beyond the axial distance of 0.5 m. In the mid-wave and long-wave infrared band, the total radiation amount in the calculation domain is about 10 W/sr, and the thermal radiation of gas dominates within the axial distance of 1 m, while the thermal radiation of ice crystals dominates beyond the axial distance of 1 m.

Heading enhancement algorithm of GNSS/IMU integrated navigation based on dual-antenna TDCP
JI Li, SUN Rui, WANG Yuanyuan, DAI Yeying
2025, 51(9): 3141-3149. doi: 10.13700/j.bh.1001-5965.2023.0440
Abstract:

In global navigation satellite system (GNSS) and inertial measurement units (IMU) integrated navigation systems, attitude estimation, especially the accurate heading estimation, is very important for the real-time monitoring of vehicle state. However, due to the divergence of IMU on the altitude channel, its errors will gradually accumulate if the IMU cannot be accurately constrained, so the estimation accuracy of the heading is insufficient in the vehicle application where the heading changes frequently. In order to solve the problem of poor attitude estimation accuracy in GNSS and IMU loosely coupled navigation, a heading enhancement algorithm of GNSS/IMU integrated navigation based on dual-antenna time-differenced carrier phase (TDCP) is proposed. The vehicle heading is solved by dual-antenna TDCP to increase the input dimension of observations in integrated navigation filtering, and the Hatch filter and robust adaptive filter are used to improve the pseudorange accuracy of the observation domain and the GNSS/IMU integrated navigation positioning and attitude estimation performance, respectively. The algorithm evaluation results based on the measured data show that compared with the traditional GNSS/IMU integrated navigation method, the proposed algorithm improves the positioning and velocity measurement accuracy by 22.12% and 41.27%, respectively, and the heading accuracy by 46.29%.

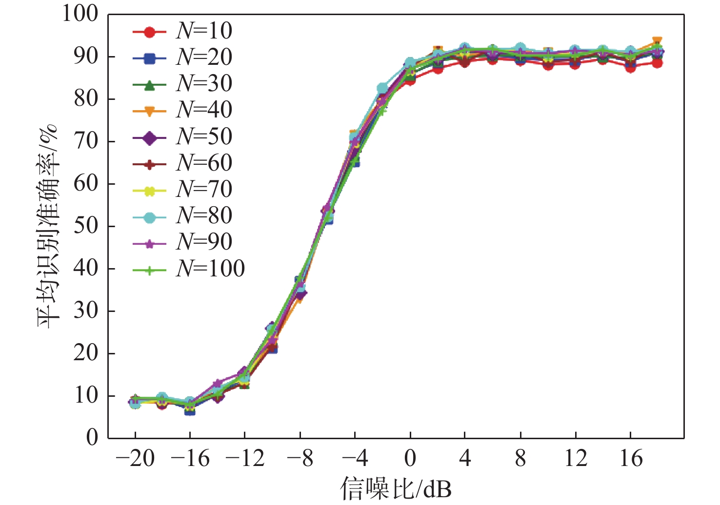
Signal modulation waveform recognition method based on STF-Net
HA Hui, GAO Xiang, YAO Xiujuan, FU Jiangyin, LI Wei, ZHANG Xiaoyan
2025, 51(9): 3150-3160. doi: 10.13700/j.bh.1001-5965.2023.0467
Abstract:

Signal modulation waveform recognition is one of the key technologies in the field of spectrum cognition and an important means to achieve monitoring and control of spectrum resources for low-orbit satellites. To address the issues of high parameter count and computational complexity in existing deep learning-based modulation waveform recognition methods, a lightweight signal modulation waveform recognition method based on space-time fusion network (STF-Net) is proposed. The method first preprocesses the signals into dual-channel data in the time-frequency domain. It then utilizes convolutional neural network (CNN) to extract signal spatial features and reduce feature redundancy. Long short-term memory (LSTM) is employed to capture temporal information and output recognition results. Experimental results show that the proposed method achieves an average recognition accuracy of 91.79% for modulation waveforms when the signal-to-noise ratio is greater than 0dB. Compared with equivalent methods, the proposed method reduces the parameter count by 96% and improves efficiency by 2.7 times.

Numerical simulation study on synergetic fire suppression of nitrogen/water-mist in aircraft cargo compartment
HUANG Suping, ZHU Pei, LIU Quanyi, SHAO Quan
2025, 51(9): 3161-3173. doi: 10.13700/j.bh.1001-5965.2023.0469
Abstract:

The threat of fire in the cargo compartments of civil aircraft poses a considerable safety risk. The synergetic fire suppression effectiveness of nitrogen-water mist to extinguish aviation kerosene pool fire in a full-scale aircraft cargo compartment was studied using the Fire Dynamics Simulator (FDS) code, considering different fire source locations and ambient pressures. The results showed that the location of fire source affects the effectiveness of fire suppression, and the corner fire is the most difficult to extinguish. For corner fire, it is difficult to suppress by nitrogen at the initial stage, whereas water mist can rapidly reduce the heat release rate of fire. When the flow rates of nitrogen and water mist were set at 0.222 kg/s and 15 L/min, respectively, the synergetic suppression demonstrated significantly enhanced cooling and suffocation effects compared to using nitrogen or water mist alone. The suppression efficiency increased by 46.2% and 48.8% respectively, while nitrogen reduced water consumption by 48.87%. Increasing the release rate of extinguishing agents with constant suppression parameters could reduce both the suppression time and consumption. Therefore, it is recommended to design nozzles with high flow rates and rapid release. Furthermore, decreasing ambient pressure significantly reduced the suppression time. A decrease for ambient pressure from 101 kPa to 46 kPa increased the cooling rate by 48.60% during synergistic suppression.

Grid error modeling aided GNSS/IMU integrated navigation comprehensive quality control algorithm
DAI Yeying, SUN Rui, DENG Siyu, JI Li, WANG Yuanyuan, HUANG Xuedong
2025, 51(9): 3174-3182. doi: 10.13700/j.bh.1001-5965.2023.0495
Abstract:

In the complex urban environment, Global navigation satellite system (GNSS) signals are prone to non-line-of-sight reception (NLOS) and multipath interference (MI) due to the occlusion and reflection of obstacles such as tall buildings. The positioning accuracy and reliability are seriously reduced, which cannot meet the user’s high precision and reliability positioning, navigation and timing (PNT) service requirements. Signal classification and multipath modeling methods based on machine learning and data-driven are of great significance for alleviating GNSS multipath effect and improving positioning accuracy in urban areas. But the accuracy, efficiency and adaptivity of such models still need to be improved. In this paper, a grid error modeling aided GNSS/Inertial measurement unit (IMU) integrated navigation comprehensive quality control algorithm is proposed. Besides the grid pseudorange error modeling, it proposes a refined comprehensive quality control strategy based on grid fitting accuracy and satellite fault detection, thus optimizes the performance of GNSS/IMU integrated navigation in complex urban environments. The field test in urban environment shows that compared with the traditional GNSS/IMU integrated navigation algorithm, the horizontal and 3D positioning accuracy of the proposed algorithm are improved by 50.23% and 66.77%, respectively, and compared with the grid pseudorange error modeling algorithm, they are improved by 11.56% and 40.53%, respectively.

A mixed reliability analysis method based on direct probability integral
ZHU Qitao, LI Hongshuang
2025, 51(9): 3183-3192. doi: 10.13700/j.bh.1001-5965.2023.0498
Abstract:

Based on the idea of direct probability integral, a mixed reliability analysis method is proposed for the mixed uncertainty analysis of evidence variables and random variables with a complex limit state function. The proposed method starts with the probability interpretation of evidence theory, adopts the method of unifying evidence variables for converting evidence variables into random variables, and achieve the goal of unifying two types of uncertainty. Then, the structural reliability analysis is carried out through the direct probability integral method. Finally, the performance of the proposed method is validated through three numerical examples. The results show that compared with existing methods, the proposed method greatly improves computational efficiency with similar computational accuracy.

Scheduling optimization for continuous climb and descend operations in busy terminal area
DU Zhuoming, ZHANG Junfeng, GUI Xuhao
2025, 51(9): 3193-3202. doi: 10.13700/j.bh.1001-5965.2023.0415
Abstract:

Based on the current terminal airspace structure, a novel scheduling method for arrival and departure aircraft based on trajectory optimization, conflict detection, and multi-objective optimization is proposed to assist in continuous climb and descent operations in busy terminal airspace. Firstly, a vertical profile optimization method for continuous climb and descent operations is proposed based on multi-stage optimal control theory and the Gaussian pseudo-spectral method, achieving trajectory optimization for continuous climb and descent operations by cost index. Secondly, according to the wake separation and clearance separation used by the runway operations and the horizontal and vertical separation of air operations, an aircraft conflict detection model is established using Mahalanobis distance. Subsequently, considering the demands of operational units such as air traffic control, airlines, and airports, a multi-objective scheduling model and method with achievable optimization results were proposed for arrival and departure aircraft. Finally, two sets of arrival and departure data from Guangzhou Baiyun Airport during peak hours were selected, multiple interval parameters were set, alternative paths were designed, and case analysis and comparative research were conducted. The results indicate that during peak departure hours, the terminal airspace of Guangzhou Baiyun Airport can achieve continuous climb and descent operations during peak hours. Furthermore, during peak arrival hours, two aircraft cannot be scheduled. Introducing alternative paths can reduce the number of aircraft that cannot be scheduled.

Ionospheric clutter suppression method based on improved TCN-Elman neural network
LIU Qiang, SHANG Shang, QIAO Tiezhu, ZHU Jian, SHI Yishan
2025, 51(9): 3203-3211. doi: 10.13700/j.bh.1001-5965.2023.0429
Abstract:

High-frequency surface wave radar is used in the field of offshore engineering worldwide because of its excellent sea surface target detection capability. One of the key elements to improve its target detection capability lies in the suppression of ionospheric clutter in the echo signal. In response, this paper proposed an ionospheric clutter prediction and suppression model (Mixatt-ITCN-Elman) based on bottleneck expansion convolution module improved temporal convolution (ITCN)-Elman neural network combined with hybrid attention mechanism. First, the ionospheric clutter time series was reconstructed in phase space and subjected to disordered normalization. The spatial features within the high-dimensional phase space were extracted by using ITCN, and the key spatial features were highlighted by combining the self-attention mechanism. Then, the spatial features were combined with the original time series and input into the Elman neural network. The spatial-temporal features of the sequences were highlighted by combining the attention mechanism. Finally, the spatial-temporal features combined with the Elman neural network output sequence were output to obtain the final prediction result. In comparison with Elman, TCN, Att-CNN-Elman, and TCN-Elman models, the proposed model has better prediction performance and stability, having high application value for the suppression of ionospheric clutter.

An efficient analysis method of helicopter fuselage bullet damage based on bullet penetration theory
XING Xiaobing, TAN Jianfeng, YANG Yuxiao, YONG Tian, YU Lingjun, WU Rui
2025, 51(9): 3212-3221. doi: 10.13700/j.bh.1001-5965.2023.0450
Abstract:

The shape and structure of helicopter fuselage are complicated. Finite element simulation of helicopter fuselage bullet damage has a high computing burden and is time-consuming, which makes it difficult to be applied in rapid analysis and evaluation of helicopter fuselage bullet damage in complex multi-bullet environments. In view of this, an efficient analysis method of helicopter fuselage bullet damage was proposed by coupling the bullet penetration theory and the model of projectile impact. The results obtained from the method were compared with those of experiment and finite element simulation to validate its accuracy. Then, the helicopter fuselage impact coordinate, residual velocity, and fuselage damage area under multi-bullet attack were studied. The results show that the residual velocity calculated by the efficient analysis method is in agreement with the experimental result. The maximum error of the residual velocity of the projectile body and the maximum error of the fuselage damage area are 4.7% and 9.56%, respectively for the proposed method compared with the finite element simulation of bullet damage. Additionally, the efficiency of the present method is obviously improved as the computational time is reduced by 92.1%. With the increase of the incidence angle of the projectile body, the residual velocity decreases, and the damage area increases. When the incidence angle is too large, the projectile body cannot penetrate the surface of the fuselage, which results in flume-like skid damage and a large area of damage.

All-weather airport runway foreign object debris detection based on mixed attention
ZHANG Jingbo, REN Jie, WANG Meiqi
2025, 51(9): 3222-3232. doi: 10.13700/j.bh.1001-5965.2023.0500
Abstract:

The foreign object debris (FOD) detection of airport runway plays an important role in the safe take-off and landing of aircraft. However, the existing detection algorithms in different light and weather runway environments have the phenomenon of missed detection and false detection. Therefore, a YOLOv5 FOD detection algorithm suitable for all-weather airport runway environments is proposed. Firstly, aiming at the problem of feature loss in the pooling process of the original network, a cross stage partial spatial pyramid pooling module is designed, which can adaptively extract deep feature semantic information and enhance the multiscale representation ability of the network. Secondly, the mixed attention module is introduced in the feature fusion part, and the channel and spatial feature weights are redistributed to strengthen the feature differences between FOD and unrelated background elements. Then, a multiscale positioning loss function is designed to improve the detection ability of small targets by adding similarity measures, aiming at the phenomenon that small target FOD are difficult to identify and locate, which leads to missed detection. Finally, the optimized training strategy is used to train the MS-FOD dataset. The experimental results show that the improved algorithm achieves an average accuracy of 95.83%and a recall rate of 94.31%, which is 3.68 and 15.69 percentage points higher than the original YOLOv5, respectively. At the same time, the detection speed FPS is 68 frames per second, which meets the needs of real-time FOD detection. The effectiveness of the proposed algorithm for airport runway FOD detection is effectively verified.