-
摘要:
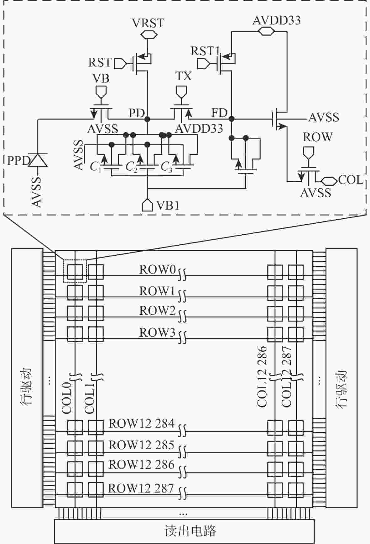
由于红外图像传感技术具备不受环境影响、目标识别度好、抗干扰能力强等优点而受到广泛关注,但随着红外焦平面集成度的提升,光电系统的动态范围、噪声和满阱之间的制约关系尤为突出。为解决弱光下噪声和强光下满阱容量的矛盾,在5T红外像素电路中,利用反型MOS电容在特定电压区间内电容值和电压的关系,使红外图像传感器积分电容从6.5 fF到37.5 fF自动变化,提出一种基于自适应积分电容的高动态像素结构,并基于55 nm CMOS工艺技术,在12 288×12 288像素规模的红外图像传感器中研究其性能参数。结果表明:5.5 μm×5.5 μm的小尺寸像素具有1.31 Me−的大满阱容量和可变的转换增益,噪声电子数小于0.43 e−,动态范围超过130 dB。
-
关键词:
- CMOS红外图像传感器 /
- 自适应积分电容 /
- 高动态范围 /
- 大满阱容量 /
- 像素读出电路
Abstract:Infrared image sensing technology has received widespread attention due to its advantages of not being affected by the environment, good target recognition, and strong anti-interference ability. However, with the improvement of the integration of the infrared focal plane, the constraints among the dynamic range, noise, and full well capacity of the photoelectric system are particularly prominent. Therefore, in order to solve the contradiction between noise in low light and full well capacity in strong light, in the 5T infrared pixel circuit, the relationship between the capacitance value and voltage of the inverse MOS capacitor in a specific voltage interval was used to automatically change the integral capacitance of the infrared image sensor from 6.5 fF to 37.5 fF, and a highly dynamic pixel structure based on adaptive integral capacitance was proposed. Based on 55 nm CMOS process technology, the performance parameters of an infrared sensor with a 12 288 × 12 288 pixel scale were studied. The research results show that a small-size pixel of 5.5 µm × 5.5 µm has a large full well capacity of 1.31 Me−, and a variable conversion gain. The noise is less than 0.43 e−, and the dynamic range is more than 130 dB.
-
表 1 C1、C2和C3的阈值电压
Table 1. Threshold voltage of C1, C2, and C3
MOS管类型 Vth/V C1 0.62 C2 0.40 C3 0.30 表 2 5T红外像素电路的后仿真性能参数
Table 2. Post-simulation performance parameters of 5T infrared pixel circuit
光电流/pA 线性度/% 转换增益/
(μV·(e−)−1)噪声
电子数/e−动态
范围/dB满阱容量/
Me−10~ 50 97.5 110~24.8 0.43~2.2 130~116 1.31 50 ~500 96.6 24.8~6.5 表 3 图像传感器的性能对比
Table 3. Performance comparison of image sensors
-
[1] SEO M W, CHU M, JUNG H Y, et al. A 2.6 e-rms low-random-noise, 116.2 mW low-power 2-mp global shutter CMOS image sensor with pixel-level ADC and in-pixel memory[C]//Proceedings of the 2021 Symposium on VLSI Circuits. Piscataway: IEEE Press, 2021: 1-2. [2] KIM M S, KANG D U, LEE D H, et al. Fast signal transfer in a large-area X-ray CMOS image sensor[J]. Journal of Instrumentation, 2014, 9(8): P08011. doi: 10.1088/1748-0221/9/08/P08011 [3] XU J T, LI W, NIE K M, et al. A method to reduce the effect on image quality caused by resistance of column bus[J]. IEEE Transactions on Very Large Scale Integration (VLSI) Systems, 2018, 27(1): 173-181. [4] KIM H J, HWANG S I, KWON J W, et al. A delta-readout scheme for low-power CMOS image sensors with multi-column-parallel SAR ADCs[J]. IEEE Journal of Solid-State Circuits, 2016, 51(10): 2262-2273. doi: 10.1109/JSSC.2016.2581819 [5] PARK H, YU C Z, KIM H, et al. Low power CMOS image sensors using two step single slope ADC with bandwidth-limited comparators & voltage range extended ramp generator for battery-limited application[J]. IEEE Sensors Journal, 2020, 20(6): 2831-2838. doi: 10.1109/JSEN.2019.2957043 [6] NIE K M, ZHA W B, SHI X L, et al. A single slope ADC with row-wise noise reduction technique for CMOS image sensor[J]. IEEE Transactions on Circuits and Systems I: Regular Papers, 2020, 67(9): 2873-2882. doi: 10.1109/TCSI.2020.2979321 [7] PARK I, JO W, PARK C, et al. A 640 × 640 fully dynamic CMOS image sensor for always-on operation[J]. IEEE Journal of Solid-State Circuits, 2020, 55(4): 898-907. [8] CHEUNG V, WESTLAND S, THOMSON M. Accurate estimation of the nonlinearity of input/output response for color cameras[J]. Color Research & Application, 2004, 29(6): 406-412. [9] ZAITSU K, MATSUMOTO A, NISHIDA M, et al. A 2-layer transistor pixel stacked CMOS image sensor with oxide-based full trench isolation for large full well capacity and high quantum efficiency[C]//Proceedings of the 2022 IEEE Symposium on VLSI Technology and Circuits. Piscataway: IEEE Press, 2022: 286-287. [10] KIM H, KIM Y H, MOON S, et al. A 0.64 μm 4-photodiode 1.28 μm 50 Mpixel CMOS image sensor with 0.98e- temporal noise and 20Ke- full-well capacity employing quarter-ring source-follower[C]//Proceedings of the 2023 IEEE International Solid-State Circuits Conference. Piscataway: IEEE Press, 2023: 1-3. [11] MURATA M, KURODA R, FUJIHARA Y, et al. A high near-infrared sensitivity over 70-dB SNR CMOS image sensor with lateral overflow integration trench capacitor[J]. IEEE Transactions on Electron Devices, 2020, 67(4): 1653-1659. doi: 10.1109/TED.2020.2975602 [12] UCHIDA T, YAMASHITA K, MASAGAKI A, et al. A 2.9 μm pixel CMOS image sensor for security cameras with high FWC and 97 dB single-exposure dynamic range[C]//Proceedings of the 2021 IEEE International Electron Devices Meeting. Piscataway: IEEE Press, 2021: 30.3.1-30.3.4. [13] GOTO M, HONDA Y, NANBA M, et al. Pixel-parallel three-layer stacked CMOS image sensors using double-sided hybrid bonding of SOI wafers[J]. IEEE Transactions on Electron Devices, 2023, 70(9): 4705-4711. doi: 10.1109/TED.2023.3298308 [14] SUN K Y, PAN L Y, WU D, et al. A gate-controlled lateral thyristor-based pixel with low-light-level extension for high dynamic range applications[J]. IEEE Sensors Journal, 2022, 22(24): 23856-23865. doi: 10.1109/JSEN.2022.3221808 [15] ZHUO Y, LU W G, YU S Z, et al. A low-noise CTIA-based pixel with CDS for SWIR focal plane arrays[C]//Proceedings of the 2021 6th International Conference on Integrated Circuits and Microsystems. Piscataway: IEEE Press, 2021: 258-262. [16] QIAN X Y, YU H, CHEN S S, et al. A high dynamic range CMOS image sensor with dual-exposure charge subtraction scheme[J]. IEEE Sensors Journal, 2015, 15(2): 661-662. doi: 10.1109/JSEN.2014.2365173 [17] WOCIAL T, STEFANOV K D, MARTIN W E, et al. A method to achieve high dynamic range in a CMOS image sensor using interleaved row readout[J]. IEEE Sensors Journal, 2022, 22(22): 21619-21627. doi: 10.1109/JSEN.2022.3211152 [18] KUO K C. A novel linear-logarithmic active pixel CMOS image sensor with wide dynamic range[C]//Proceedings of the 2021 IEEE International Midwest Symposium on Circuits and Systems. Piscataway: IEEE Press, 2021: 1100-1103. [19] WANG F, HAN L Q, THEUWISSEN A J P. Development and evaluation of a highly linear CMOS image sensor with a digitally assisted linearity calibration[J]. IEEE Journal of Solid-State Circuits, 2018, 53(10): 2970-2981. doi: 10.1109/JSSC.2018.2856252 [20] ZHANG Q, GUO Z J. An 8T global shutter pixel with extended output range for CMOS image sensor[C]//Proceedings of the 2019 IEEE International Conference on Electron Devices and Solid-State Circuits. Piscataway: IEEE Press, 2019: 1-3. [21] KUZNETSOV P A, MOSCHEV I S. Photodetector of shortwave infrared range of format 640 × 512 elements with increased dynamic range[J]. Journal of Communications Technology and Electronics, 2019, 64(9): 1034-1037. doi: 10.1134/S1064226919090146 [22] KAVUSI S, GHOSH K, EL GAMAL A. Architectures for high dynamic range, high speed image sensor readout circuits[M]//DE MICNELI G, MIR S, REIS R. VLSI-SoC: research trends in VLSI and systems on chip. Berlin: Springer, 2008: 1-23. [23] GUO Y M, GUO Z J, WANG Y L, et al. Research on dark current compensation method of analog front end based on synchronous adaptive matching[C]//Proceedings of the 2023 6th International Conference on Electronics Technology. Piscataway: IEEE Press, 2023: 31-35. [24] WANG F, THEUWISSEN A J P. Pixel optimizations and digital calibration methods of a CMOS image sensor targeting high linearity[J]. IEEE Transactions on Circuits and Systems I: Regular Papers, 2019, 66(3): 930-940. doi: 10.1109/TCSI.2018.2872627 [25] LOU S S, QU Y, ZHONG G Q, et al. An over 140 dB dynamic range CMOS image sensor combined DCG and logarithmic response[J]. IEEE Transactions on Electron Devices, 2023, 70(9): 4719-4724. doi: 10.1109/TED.2023.3299907 [26] GAO Z Y, YANG C J, XU J T, et al. A dynamic range enhanced readout technique with a two-step TDC for high speed linear CMOS image sensors[J]. Sensors, 2015, 15(11): 28224-28243. doi: 10.3390/s151128224 [27] 杜雅娟, 高静, 高志远, 等. 基于自对准技术的4管像素寄生电容建模与分析[J]. 激光与光电子学进展, 2023, 60(19): 210-216.DU Y J, GAO J, GAO Z Y, et al. Modeling and analysis of parasitic capacitance in 4-transistor pixels based on self-alignment technique[J]. Laser & Optoelectronics Progress, 2023, 60(19): 210-216(in Chinese). [28] GUO Z, YU N, WU L. An improved global shutter pixel with extended output range and linearity of compensation for CMOS image sensor[J]. Chinese Journal of Electronics, 2021, 30(1): 102-108. doi: 10.1049/cje.2020.11.007 [29] GUO Z J, YU N M, WU L S. A synchronous driving approach based on adaptive delay phase-locked loop for stitching CMOS image sensor[J]. IEICE Electronics Express, 2020, 17(3): 20190642. doi: 10.1587/elex.16.20190642 [30] GUO Z J, YU N M, WU L S. Research on column FPN and black level calibration in large array CMOS image sensor[J]. Chinese Journal of Electronics, 2021, 30(2): 268-274. doi: 10.1049/cje.2021.02.004 [31] GUO Z J, YU N M, WU L S. An improved segmented DAC for column readout circuit correction of large array CMOS image sensor[J]. IEICE Electronics Express, 2020, 17(10): 20200094. doi: 10.1587/elex.17.20200094 -


下载: