-
摘要:
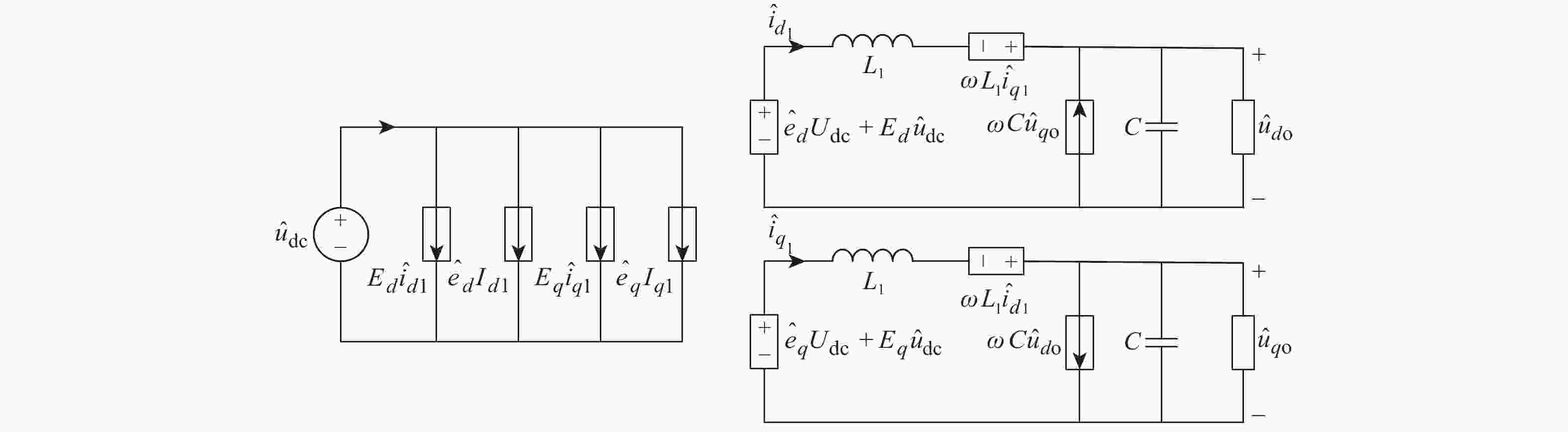
能源系统的稳定性对长航时飞行的平流层飞艇安全和可靠运行至关重要,特别是对于采用多母线结构和多种变换器串并联组成的能源系统,稳定性问题更为突出。基于此,提出一种新的基于三端口变换器来实现半调节母线方式的平流层飞艇能源系统结构,建立平流层飞艇能源系统中各种变换器的阻抗模型,推导出能源系统在不同子系统划分方法下的输入和输出阻抗。利用多母线直流系统阻抗比稳定判据对其进行了稳定性分析,结果表明,能源系统在不同负载阻抗下都是不稳定的,之后通过仿真实验验证了理论分析结果。最终提出基于一致性功率协调控制和滑模控制的飞艇能源系统分层控制方法,仿真实验显示,使用该方法后能源系统母线电压在多种变化条件下均可保持稳定,表明该方法可增强飞艇能源系统的稳定性。
Abstract:For the long-endurance stratospheric airship to operate safely and dependably, the energy system’s stability is crucial. The stability issue is particularly noticeable for energy systems with several buses and converters connected in series and parallel. In order to establish a semi-regulated busbar mode, this paper suggests a new stratospheric airship energy system structure based on a three-port converter. It also examines the stability of the complex energy system made up of multiple converters and semi-regulating double-bus under various load impedances. The input and output impedances of the energy system under various subsystem division techniques are first determined by creating an impedance model of a stratospheric airship that contains solar cells, batteries, and different converters. Then, the stability of the energy system is analyzed using the stability criterion of the impedance ratio of the multi-bus direct current system, the theoretical analysis results are verified by simulation experiments. Finally, a hierarchical control method of airship energy system based on consistent power coordination control and Sliding mode control is proposed. According to simulation data, this technique can improve the airship energy system’s stability.
-
-
[1] CHU A, BLACKMORE M, OHOLENDT R, et al. A novel concept for stratospheric communications and surveillance: the StarLight[C]//Proceedings of the AIAA Balloon Systems Conference. Reston: AIAA, 2007. [2] WANG W Q. Near-space vehicles: supply a gap between satellites and airplanes for remote sensing[J]. IEEE Aerospace and Electronic Systems Magazine, 2011, 26(4): 4-9. doi: 10.1109/MAES.2011.5763337 [3] ZUO Z Y, CHENG L, WANG X X, et al. Three-dimensional path-following backstepping control for an underactuated stratospheric airship[J]. IEEE Transactions on Aerospace and Electronic Systems, 2019, 55(3): 1483-1497. doi: 10.1109/TAES.2018.2873054 [4] YUAN J C, ZHU M, GUO X, et al. Trajectory tracking control for a stratospheric airship subject to constraints and unknown disturbances[J]. IEEE Access, 2020, 8: 31453-31470. doi: 10.1109/ACCESS.2020.2973236 [5] YANG X X, LIU D N. Renewable power system simulation and endurance analysis for stratospheric airships[J]. Renewable Energy, 2017, 113: 1070-1076. doi: 10.1016/j.renene.2017.06.077 [6] ALAM M I, PANT R S. Multidisciplinary approach for solar area optimization of high altitude airships[J]. Energy Conversion and Management, 2018, 164: 301-310. doi: 10.1016/j.enconman.2018.03.009 [7] 郭力, 冯怿彬, 李霞林, 等. 直流微电网稳定性分析及阻尼控制方法研究[J]. 中国电机工程学报, 2016, 36(4): 927-936.GUO L, FENG Y B, LI X L, et al. Stability analysis and research of active damping method for DC microgrids[J]. Proceedings of the CSEE, 2016, 36(4): 927-936(in Chinese). [8] 高本锋, 江婷, 于弘洋, 等. H桥级联型SSSC的动态模型及小干扰稳定性分析[J]. 电力自动化设备, 2020, 40(2): 35-42.GAO B F, JIANG T, YU H Y, et al. Dynamic model and small interference stability analysis of H-bridge cascaded SSSC[J]. Electric Power Automation Equipment, 2020, 40(2): 35-42(in Chinese). [9] 季宇, 王东旭, 吴红斌, 等. 提高直流微电网稳定性的有源阻尼方法[J]. 电工技术学报, 2018, 33(2): 370-379.JI Y, WANG D X, WU H B, et al. The active damping method for improving the stability of DC microgrid[J]. Transactions of China Electrotechnical Society, 2018, 33(2): 370-379(in Chinese). [10] PAN P P, CHEN W, SHU L C, et al. An impedance-based stability assessment methodology for DC distribution power system with multivoltage levels[J]. IEEE Transactions on Power Electronics, 2020, 35(4): 4033-4047. doi: 10.1109/TPEL.2019.2936527 [11] MU H, ZHANG Y, TONG X Q, et al. Impedance-based stability analysis methods for DC distribution power system with multivoltage levels[J]. IEEE Transactions on Power Electronics, 2021, 36(8): 9193-9208. doi: 10.1109/TPEL.2021.3057874 [12] LENG M R, ZHOU G H, LI H Z, et al. Impedance-based stability evaluation for multibus DC microgrid without constraints on subsystems[J]. IEEE Transactions on Power Electronics, 2022, 37(1): 932-943. doi: 10.1109/TPEL.2021.3093372 [13] XU Q W, WANG P, CHEN J W, et al. A module-based approach for stability analysis of complex more-electric aircraft power system[J]. IEEE Transactions on Transportation Electrification, 2017, 3(4): 901-919. doi: 10.1109/TTE.2017.2695886 [14] GAO F, ZHENG X C, BOZHKO S, et al. Modal analysis of a PMSG-based DC electrical power system in the more electric aircraft using eigenvalues sensitivity[J]. IEEE Transactions on Transportation Electrification, 2015, 1(1): 65-76. doi: 10.1109/TTE.2015.2427312 [15] EBRAHIMI H, EL-KISHKY H. A novel generalized state-space averaging (GSSA) model for advanced aircraft electric power systems[J]. Energy Conversion and Management, 2015, 89: 507-524. doi: 10.1016/j.enconman.2014.10.014 [16] SULLIGOI G, BOSICH D, GIADROSSI G, et al. Multiconverter medium voltage DC power systems on ships: constant-power loads instability solution using linearization via state feedback control[J]. IEEE Transactions on Smart Grid, 2014, 5(5): 2543-2552. doi: 10.1109/TSG.2014.2305904 [17] 张辉, 杜明桥, 孙凯, 等. 双母线直流微电网的级联稳定性分析[J]. 电力自动化设备, 2021, 41(5): 34-42.ZHANG H, DU M Q, SUN K, et al. Cascade stability analysis of double-bus DC microgrid[J]. Electric Power Automation Equipment, 2021, 41(5): 34-42 (in Chinese). [18] WU M F, LU D D. A novel stabilization method of LC input filter with constant power loads without load performance compromise in DC microgrids[J]. IEEE Transactions on Industrial Electronics, 2015, 62(7): 4552-4562. doi: 10.1109/TIE.2014.2367005 [19] 张辉, 杨甲甲, 支娜, 等. 基于无源阻尼的直流微电网稳定性分析[J]. 高电压技术, 2017, 43(9): 3100-3109.ZHANG H, YANG J J, ZHI N, et al. Stability analysis of DC microgrid based on the passive damping method[J]. High Voltage Engineering, 2017, 43(9): 3100-3109(in Chinese). [20] 朱晓荣, 孟欣欣. 直流微电网的稳定性分析及有源阻尼控制研究[J]. 高电压技术, 2020, 46(5): 1670-1681.ZHU X R, MENG X X. Stability analysis and research of active damping control method for DC microgrids[J]. High Voltage Engineering, 2020, 46(5): 1670-1681(in Chinese). [21] 万勋, 李云丰, 彭敏放. 直流输电系统虚拟并联电阻阻尼控制策略研究[J]. 中国电机工程学报, 2018, 38(12): 3471-3480.WAN X, LI Y F, PENG M F. Virtual parallel resistor damping control of VSC based HVDC system[J]. Proceedings of the CSEE, 2018, 38(12): 3471-3480(in Chinese). [22] ZHANG M M, LI Y, LIU F, et al. Voltage stability analysis and sliding-mode control method for rectifier in DC systems with constant power loads[J]. IEEE Journal of Emerging and Selected Topics in Power Electronics, 2017, 5(4): 1621-1630. doi: 10.1109/JESTPE.2017.2723482 [23] JIANG W T, ZHANG X N, LIN P F, et al. Combined sliding-mode control for the IFDBC interfaced DC microgrids with power electronic loads[J]. IEEE Journal of Emerging and Selected Topics in Power Electronics, 2020, 8(4): 3396-3410. doi: 10.1109/JESTPE.2020.2982564 [24] VAZQUEZ S, LEON J I, FRANQUELO L G, et al. Model predictive control: a review of its applications in power electronics[J]. IEEE Industrial Electronics Magazine, 2014, 8(1): 16-31. doi: 10.1109/MIE.2013.2290138 [25] SANTI E, MONTI A, LI D H, et al. Synergetic control for DC-DC boost converter: implementation options[J]. IEEE Transactions on Industry Applications, 2003, 39(6): 1803-1813. doi: 10.1109/TIA.2003.818967 [26] HASSAN M A, SADIQ M, HOANG L Q N, et al. Adaptive passivity-based control for bidirectional DC-DC power converter supplying constant power loads in DC shipboard microgrids[C]//Proceedings of the IEEE International Future Energy Electronics Conference. Piscataway: IEEE Press, 2021: 1-6. -


下载: