留言板

尊敬的读者、作者、审稿人, 关于本刊的投稿、审稿、编辑和出版的任何问题, 您可以本页添加留言。我们将尽快给您答复。谢谢您的支持!

姓名
邮箱
手机号码
标题
留言内容
验证码

2022年  第48卷  第3期

显示方式:
2022年, 第48卷, 第3期
icon下载 (128859) 1094 icon预览
论文
飞机燃油系统全飞行剖面热边界模拟与温度预测
王瑞卿, 李栋, 李运华, 王曦
2022, 48(3): 369-375. doi: 10.13700/j.bh.1001-5965.2020.0555
摘要:

通过仿真实验和机器学习,对影响飞机燃油系统温度的主要因素进行了研究,并对燃油系统温度进行了预测。对飞机燃油系统的基本结构布局进行了描述。利用Simulink仿真平台建立了燃油系统热动态仿真,该模型可以模拟出全飞行剖面下燃油回路各个节点的温度,通过改变不同的条件得到影响燃油系统各个节点温度的主要影响因素,并通过机器学习模型对燃油系统的温度进行预测。研究成果可以估计和感知燃油系统的工作温度及飞机液压、滑油等系统的工作温度,为进一步进行燃油液压系统的热边界感知和机载液压与机电系统热载荷吸收控制打下基础。

未知载荷条件下机械系统剩余寿命预测方法
许丹, 肖小琦, 冯至昕
2022, 48(3): 376-383. doi: 10.13700/j.bh.1001-5965.2020.0582
摘要:

针对无法确定复杂机械系统的随机工作载荷的问题,提出了一种基于隐半马尔可夫模型(HSMM)的寿命预测方法。在完成基于隐半马尔可夫模型的载荷空间构建后,引入前向-后向过渡参数,并结合Viterbi算法对模型参数进行求解,通过估计参数预测随机未来载荷的转移走向及对应的概率。将载荷预测的结果结合基于多传感器信息的寿命预测模型预测系统的剩余寿命。使用NASA的商用模块化航空推进系统仿真数据验证所提方法的有效性和正确性。

基于有效中转时间预测的不正常航班恢复技术
何坚, 果红艳, 姚远, 卞磊, 唐红武, 王殿胜
2022, 48(3): 384-393. doi: 10.13700/j.bh.1001-5965.2020.0559
摘要:

不正常航班恢复问题研究通常基于固定航班中转时间,忽视了实际航班中转时间的改变对航班恢复带来的影响。对此,依据全国235个机场的全部运营航班数据抽取机场-航班特征,构建了基于LightGBM的航班中转时间预测模型,预测航班的有效中转时间,数值结果显示,航班中转时间预测模型预测的均方根误差为6.783 min。构造了基于有效中转时间的不正常航班恢复模型,并针对性地设计了求解该模型的列向量生成算法,构造的模型通过取消、改变计划时间、更换飞机等方式,分别在最小化航班延误时间、取消个数、换飞机个数的目标下,解决机场流量下降、机场关闭、飞机维修等不正常条件下的航班恢复问题。通过航空公司实际运行数据测试证明,基于有效中转时间预测的不正常航班恢复技术有效,在大规模航班恢复的情况下,可以将总延误时间减少34.2%。将列向量生成算法与时空网络算法的结果进行对比,所提出的恢复方法能降低航班恢复代价。

基于有限时间引导律的欠驱智能船舶循迹控制
冯辉, 胡胜, 余文曌, 徐海祥
2022, 48(3): 394-400. doi: 10.13700/j.bh.1001-5965.2020.0561
摘要:

针对欠驱智能船舶在执行循迹任务时,受路径曲率和环境力干扰影响导致横向偏差增大的问题,对欠驱智能船舶的引导策略进行了研究。提出了一种有限时间收敛的自适应引导律,并基于该引导律实现了欠驱智能船舶循迹控制,使循迹过程中的横向偏差在有限时间内收敛至零。相比于传统积分引导律,所提方法的控制参数可以根据横向偏差的变化进行自适应调整,更快地引导欠驱智能船舶进行直线和曲线循迹。通过仿真对比验证了所提方法的有效性和先进性。

阻力和升力加速度指令快速解析与跟踪制导
刘刚
2022, 48(3): 401-411. doi: 10.13700/j.bh.1001-5965.2020.0589
摘要:

针对升力式飞行器的滑翔段制导问题,提出一种阻力和升力加速度指令在线快速解析与跟踪制导方法。通过一维质点运动学解析并加权直接得到阻力加速度指令。引入虚拟目标和伪视线角的概念,将比例导引应用于滑翔段得到升力加速度指令。利用阻力加速度和攻角的单调性关系, 通过改变攻角跟踪阻力加速度指令。倾侧角用于辅助跟踪阻力加速度指令,满足给定条件后切换至跟踪升力加速度指令。航迹方向角的控制通过倾侧角按反转走廊边界改变正负号实现。动压、热流、过载等约束可通过相关敏感参数的设计得到满足。所提方法不依赖参考轨迹和攻角剖面,计算量小,可实现对终端速度和终端高度的高精度控制。

CO2在RP5航空燃油中的质扩散系数测量
李超越, 冯诗愚, 徐雷, 王志凌
2022, 48(3): 412-418. doi: 10.13700/j.bh.1001-5965.2020.0581
摘要:

根据数字全息干涉度量原理搭建了气液质扩散系数测量实验平台,设计并加工了中空不锈钢恒温扩散槽,采用自编程序进行数字图像处理,通过测量298.15 K时0.33 mol/L KCl溶液在水中的质扩散系数验证了实验系统的正确性。实验测量了常压下278.15~343.15 K温度范围内CO2在RP5航空燃油中的质扩散系数。随着温度的增加,CO2在RP5航空燃油中的质扩散系数逐渐增大。不同温度下的质扩散系数可利用Arrhenius方程模型进行拟合,而且质扩散系数理论模型计算与实验测量结果之间的相对误差均小于9.51%。在实际工程应用中,可根据拟合的Arrhenius方程对CO2在RP5航空燃油中的质扩散系数进行准确的预测,实验测量结果为燃油箱惰化系统的优化设计提供了数据支持。

星载GNSS海洋反射信号建模与仿真
王峰, 杨东凯, 张波, 李博闻, 张国栋
2022, 48(3): 419-429. doi: 10.13700/j.bh.1001-5965.2020.0575
摘要:

星载GNSS反射信号建模与仿真对GNSS反射信号正逆问题的研究及接收机算法和性能的评估非常重要。从几何、信号和信息的角度建立了星载GNSS反射信号分层建模方法。详细论述了星载GNSS反射信号的双基几何关系,建立了海风、涌浪和降雨驱动的线性组合海浪谱,并基于此计算了GNSS反射信号双基散射系数,基于各散射单元独立散射的假设推导了反射信号模型,通过仿真产生了星载GNSS反射信号及时延-多普勒相关功率,并与UK TDS-1卫星实测相关功率进行了对比分析。结果显示,通过先产生反射信号后处理得到的相关功率和直接端对端产生的相关功率与UK TDS-1卫星实测的相关功率的余弦相似度分别为0.97和0.94,所提架构和方法可正确对星载GNSS反射信号进行建模和仿真。同时,通过所建平台分析了涌浪和降雨形成的海浪谱对星载GNSS反射信号的影响。结果发现,涌浪主要影响低风速探测而对高风速无影响,降雨对星载GNSS反射信号无明显影响。

变质心固定翼无人机动力学分析与抗扰控制
邱潇颀, 高长生, 荆武兴
2022, 48(3): 430-437. doi: 10.13700/j.bh.1001-5965.2020.0573
摘要:

变质心无人机具有气动效率更高、隐身性能更好、机翼结构更加简单等优点。提出了时滞更小、结构更加简单的单滑块变质心无人机布局方案,分析了滑块参数对变质心无人机动力学特性的影响,在此基础上给出了滑块的理想安装位置,并研究了变质心无人机布局方案控制效率随速度的变化情况。针对变质心无人机强耦合、强非线性的特点,基于粒子群算法(PSO)设计了自抗扰控制器(ADRC),其中扩张状态观测器估计出包含耦合和参数摄动的总和扰动项,并基于此进行动态补偿。仿真结果验证了所设计控制器的有效性和鲁棒性。

泡沫铜/低熔点合金复合相变材料凝固放热分析
侯天睿, 邢玉明, 郑文远, 郝兆龙
2022, 48(3): 438-446. doi: 10.13700/j.bh.1001-5965.2020.0553
摘要:

为研究泡沫铜/低熔点合金(LMPA)复合相变材料在间歇放热工作环境下恢复至初始状态的能力及不同孔隙率泡沫铜的添加对其凝固放热过程的影响,通过数值模拟对比分析了47合金、正二十三烷与泡沫铜复合前后的凝固放热过程,并调节泡沫铜/47合金复合材料孔隙率计算模拟芯片温度在凝固放热过程中温度随时间变化曲线。结果表明:泡沫铜的添加对2类材料凝固过程均有促进作用,模拟芯片恢复至目标温度所需时间分别被缩短6.6%和47.7%。因体积潜热值的差距,泡沫铜/47合金凝固时需放出更多热量,恢复至目标温度的时间较长,是正二十三烷复合相变材料的1.52倍。随着孔隙率的增大,复合相变材料恢复至室温状态所用时长变化不大,考虑到孔隙率对相变热控过程中的影响,实际使用时应综合考虑。

基于最大熵法和遗传算法的SMSP干扰对抗方法
周长霖, 王春阳, 宫健, 谭铭, 赵英健
2022, 48(3): 447-453. doi: 10.13700/j.bh.1001-5965.2020.0584
摘要:

线性调频(LFM)信号是现代雷达常用的发射信号,可以有效提高雷达的检测性能,然而频谱弥散(SMSP)干扰应用于主瓣自卫式干扰时,干扰信号强度远大于目标回波信号,能够对目标回波信号形成遮盖,是一种有效对抗LFM信号的干扰样式。利用干扰信号与目标回波信号时频特征的不同,通过广义S变换(GST)凸显时频特征差异。运用最大熵法和遗传算法(GA)求取时频滤波器的分割阈值。通过构造的时频滤波器达到干扰抑制的目的。仿真结果表明:当干信比(JSR)大于10 dB、信噪比(SNR)大于0 dB时, 所提方法具有较好的干扰抑制效果,其中最大信干噪比(SJNR)增益接近25 dB。

基于搜索意图交互的无人机集群协同搜索算法
王宁, 李哲, 梁晓龙, 侯岳奇, 吴傲
2022, 48(3): 454-463. doi: 10.13700/j.bh.1001-5965.2020.0602
摘要:

针对无先验信息条件下无人机集群的协同搜索问题,提出一种以覆盖率为引导,以机间安全距离、通信距离、偏航角调整及搜索边界等为约束的无人机集群协同搜索算法。通过建立环境地图矩阵对任务区域进行描述,进一步定义环境地图更新算子实现搜索过程中环境地图的快速更新。设计了集群协同搜索任务的回报函数,采用粒子群算法进行求解,得到每架无人机在已知环境地图下的最优决策,即决策意图。每架无人机在获取其他成员决策意图的基础上重新进行决策,实现协同决策。针对不同规模集群提出了集中式和分布式2种协同决策方案。仿真结果表明,所提算法能够对存在未知威胁的不规则任务区域进行有效覆盖搜索,覆盖率远高于不进行协同决策的个体决策方法。

捆绑火箭气动载荷分布不确定性分析
董欣心, 刘莉, 葛佳昊, 王志
2022, 48(3): 464-472. doi: 10.13700/j.bh.1001-5965.2020.0604
摘要:

针对带捆绑火箭气动载荷分布受飞行状态及本身外形参数变化影响存在波动的现象,提出了依据多项式混沌理论对捆绑火箭气动载荷分布特征进行全局灵敏度分析及不确定性量化的方法,并以两助推构型火箭为例对所提方法进行验证。首先,提出了捆绑火箭气动载荷分布不确定性分析的方法,并给出仿真分析流程。其次,以两助推构型火箭为例对所提方法进行验证,建立火箭气动外形参数化模型,验证气动特性分析结果。最后,对该模型开展影响因素灵敏度分析及载荷分布不确定性分析,得到了不同因素的影响程度,以及气动轴力和法向力的不确定性分布形式,分析了流场流动情况及气动载荷波动的主要原因。分析结果为捆绑火箭气动载荷波动控制提供了一定参考,通过定量描述气动载荷分布不确定性,可以有效降低安全系数冗余,为开展精确结构设计提供依据。

基于释热率分析的钝体贫油熄火过程分析
邢竞文, 金捷, 王方
2022, 48(3): 473-484. doi: 10.13700/j.bh.1001-5965.2020.0588
摘要:

针对锥形钝体稳定的甲烷-空气预混湍流火焰复杂的熄火过程,采用大涡模拟(LES)与输运方程概率密度函数(TPDF)湍流燃烧模型相结合的模拟方法,研究远离熄火、近熄火及熄火点的火焰和释热率(HRR)数值变化情况,定量分析熄火判据。结果表明:冷态速度模拟结果和实验的相对均方根误差在10%以内,热态误差在20%以内;释热率是否出现在OH和CH2O重叠的区域,是判断熄火的一个重要参数;远离熄火时,释热率高的区域主要沿内侧剪切层出现;近熄火工况下,释热率在流向轴上闭合,回流区下游也出现较大的释热率;熄火点工况下,较大释热率的区域在回流区下游和上游均有出现;模拟预测的熄火情况和实验PLIF结果一致;平均释热率可作为判断熄火的定量依据,即当钝体后方0.2d处内侧剪切层平均释热率与回流区平均释热率的比值小于4时,发生熄火。

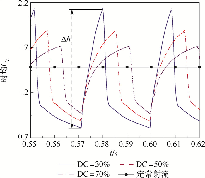
脉冲射流对环量控制翼型气动性能的影响
雷玉昌, 张登成, 张艳华, 苏光旭
2022, 48(3): 485-494. doi: 10.13700/j.bh.1001-5965.2020.0560
摘要:

定常射流在大迎角下气动性能较差,借助脉冲射流能够有效改善大迎角下的气动性能,并减少射流所需质量流量。采用非定常数值模拟的方法进行了脉冲射流作用下的环量控制翼型气动特性计算和流场分析。总结了占空比和频率分别对时均升力和升力脉动幅值的影响趋势;分析了不同迎角下的脉冲射流流动机理;进一步指出了射流动量系数的影响规律,并借助脉冲射流和定常射流的叠加效应有效缓解了升力脉动现象。结果表明:低占空比、同等升力系数下,脉冲射流可大幅度减小质量流量,但升力脉动幅值较大;小迎角下随频率增大,升力系数先增大后减小,但整体变化幅度不大,大迎角下随频率增大,升力系数持续性增大;脉冲射流能够推迟失速迎角,扩宽环量控制技术的可用迎角,并且随动量系数增大,这种优势更加明显;借助脉冲射流与定常射流的叠加效应,能够有效缓解脉冲射流作用下的升力脉动现象,达到飞行使用条件。

一种基座姿态可控空间机器人的通用避奇异算法
赵龙泽, 佘浩平, 黄良伟, 黄龙飞
2022, 48(3): 495-503. doi: 10.13700/j.bh.1001-5965.2020.0603
摘要:

针对基座姿态可控空间机器人笛卡儿路径规划中的奇异问题,提出了一种通用的运动学奇异回避算法。通过虚拟机械臂的方法建立空间机械臂的雅可比矩阵,实时判断雅可比矩阵行列式的值与角速度的关系确定奇异区,采用Newton-Raphson迭代法进行逆运动学求解,并设计了一种“微分项提取+二次拟合”的分段路径规划算法应用于奇异回避,直至关节角脱离奇异区。仿真结果表明:所提算法能够有效回避奇异,适应各种自由度与构型机械臂,调节计算时间与跟踪精度之间的关系,具备较好的通用性。

基于深度学习的焊缝PAUT数据智能化分析方法
朱甜甜, 宋波, 毛捷, 廉国选
2022, 48(3): 504-513. doi: 10.13700/j.bh.1001-5965.2020.0578
摘要:

超声相控阵检测技术(PAUT)凭借其突出的技术优势被广泛应用在船舶、铁路、石油石化和航空航天等诸多领域。在焊缝超声相控阵检测(PAUT)中,对检测数据缺陷的识别定位目前多采用传统的人工判读方式,判读效率较低,对检测人员的判读经验有较高要求,难以满足自动化超声检测的要求。基于深度学习中的目标检测和跟踪算法构建智能识别模型,通过对焊缝超声相控阵检测的S、B扫图特征进行融合,并结合焊缝的三维结构信息,识别并定位出缺陷在焊缝中的三维空间位置。实验结果显示: 缺陷框的平均三维IOU(预测三维缺陷框和实际三维缺陷框的平均交并比)达到0.644 9,较为接近缺陷的真实空间位置,可以实现焊缝超声相控阵检测成像结果智能识别和定位。

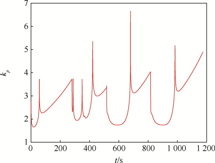
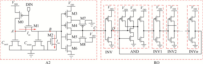
基于A2-RO电路版图填充的硬件木马抗植入方法
李宗哲, 何家骥, 马浩诚, 刘燕江, 秦国轩, 赵毅强
2022, 48(3): 514-521. doi: 10.13700/j.bh.1001-5965.2020.0592
摘要:

集成电路芯片制造过程中,攻击者可以利用电路版图中的空白区域植入硬件木马。为此,提出了一种基于A2-RO电路版图填充的硬件木马抗植入方法, 以减小电路版图中的空白区域为防护目标,设计了能够动态监测稀有节点翻转情况的功耗表征结构A2-RO,并提出了迭代填充算法及路径构建算法,通过在电路版图的空白区域中智能化地构建A2-RO电路,提高了电路的安全防护水平。基于SMIC 180 nm工艺,以ISCAS’85和ISCAS’89中的基准电路作为研究对象进行仿真验证。仿真结果表明:版图填充后,芯片的面积利用率提高至95%以上,剩余空白区域无法填充最小尺寸的标准单元。A2-RO电路移除攻击后的侧信道电流变化值为1.921 mA,有效实现了对版图空白区域的防护。版图填充的额外布线资源开销可控制在7%以内,对关键路径延时的影响在1.2%以内。

基于深度神经网络的像素级别可见光图像配准
黄晨威, 程景春, 潘雄, 宋凝芳, 刘冰
2022, 48(3): 522-532. doi: 10.13700/j.bh.1001-5965.2020.0611
摘要:

现有图像配准算法中,借助图像采集设备参数的方法存在硬件内参难以获得或精度不够的问题,采用匹配图像特征计算图像单应性的方法存在对场景深度信息利用不全的问题。针对这一现象,提出了结合可见光图像与其深度信息来生成更具有真实性的配准图像对数据,用以训练得到一个可以进行像素级别图像配准的深度神经网络PIR-Net。建立了一个大规模、多视角、超仿真的图像配准数据集:多视角配准(MVR)数据集,该数据集包含7 240对含有深度信息的待配准图像及其像素级别的坐标对准真值;基于编码器-解码器的深度神经网络结构,训练得到一个能以全分辨率形式对2幅输入图像之间的坐标变化矩阵进行重建的PIR-Net。通过实验验证了PIR-Net能够在未知相机内参的情况下实现不同视角的可见光图像配准,并比传统算法具有更高的配准精度。在MVR数据集上,PIR-Net的配准误差仅为通用的特征匹配对准算法(SIFT+RANSAC)的18%,同时减少了30%的时间消耗。

基于调制卷积神经网络的空地数据链信道估计
刘春辉, 王美琳, 董赞亮, 王沛
2022, 48(3): 533-543. doi: 10.13700/j.bh.1001-5965.2020.0591
摘要:

针对复杂环境下空地数据链正交频分复用(OFDM)系统信道估计精度不足的问题,提出了一种基于调制卷积神经网络(MCNN)和双向长短时记忆网络(BiLSTM)结合的信道估计算法。利用最小二乘算法(LS)提取初始信道状态信息(CSI);利用MCNN网络提取初始CSI的深度特征,并对网络模型进行压缩;利用BiLSTM网络对最终CSI进行预测,实现信道估计。利用构建的空地信道模型生成信道系数数据集,实现神经网络模型的训练与测试。仿真结果表明:与传统算法和现有深度学习方法相比,所提出的信道估计算法具有更小的估计误差,高信噪比条件下的系统误码率(BER)性能提升接近一个数量级;由于引入了调制滤波器技术,随着神经网络层数增加,网络模型参数量大幅减少。

机载中空纤维膜组件壳程气体流动数值模拟
刘国田, 白文涛, 潘江丽, 陈广豪, 潘俊, 冯诗愚
2022, 48(3): 544-550. doi: 10.13700/j.bh.1001-5965.2020.0612
摘要:

机载惰化用中空纤维膜组件具有分离效率高、安全稳定、结构紧凑等优点,是目前较为经济高效的飞机燃油箱惰化设备。采用计算流体力学(CFD)方法对某中空纤维膜组件壳程气体流动进行数值模拟,通过更改膜丝束间距、膜丝束入口速度、膜丝束流量、膜丝束排布方式及飞行高度,得到了不同工况下的组件轴向各截面的气体流动分布,并提出无量纲参数截面平均速度比来描述气体流动分布规律。仿真结果表明:在保持入口气体流动速度一定时,平均速度比值随着膜丝束间距的减小先减小后增大,在膜丝束间距为1.5倍膜丝半径时达到最小值, 在保持入口流量一定时,壳程气体流动有着相同的规律;在保持膜丝束填充数量不变时,均匀排布比不均匀排布的平均速度比值更小;保持膜丝束间距不变时,入口速度对平均速度比值影响不大;飞行高度对组件壳程气体分布的影响作用主要体现在膜组件内壁处。

常见问答