留言板

尊敬的读者、作者、审稿人, 关于本刊的投稿、审稿、编辑和出版的任何问题, 您可以本页添加留言。我们将尽快给您答复。谢谢您的支持!

姓名
邮箱
手机号码
标题
留言内容
验证码

2017年  第43卷  第3期

显示方式:
2017年, 第43卷, 第3期
icon下载 (41288) 1127 icon预览
论文
SiCp/Al复合材料增强体分布均匀性超声成像方法
孙广开, 周正干
2017, 43(3): 417-423. doi: 10.13700/j.bh.1001-5965.2016.0206
摘要:

为提高SiCp/Al复合材料均匀性超声评价准确度,研究基于超声衰减及声速变化量的SiCp颗粒分布均匀性成像方法。制备不同SiCp体积分数的SiCp/Al复合材料试样;采用水浸式超声波系统对试样进行超声衰减成像,分析超声衰减量与SiCp体积分数关系;实验分析声速变化与SiCp体积分数的定量关系并对试样进行声速成像;采用金相法观测试样细观特征,分析不同SiCp体积分数下试样的材料均匀性变化,对比分析得出超声衰减和声速成像法的准确度和适用范围。研究结果表明,超声衰减成像方法适用于SiCp颗粒分布定性分析,基于声速变化量成像方法可定量分析SiCp颗粒分布,在材料均匀性评价方面具有更高准确度。

集成电液制动系统助力算法及其功能验证
高峰, 雍加望, 丁能根, 徐国艳
2017, 43(3): 424-431. doi: 10.13700/j.bh.1001-5965.2016.0167
摘要:

针对传统真空助力制动系统无法直接应用于新能源车辆的问题,研究开发了一种集成电液制动(IEHB)系统,并形成样机。样机由中空电机、滚珠丝杠副、三腔主缸、人力缸及踏板行程模拟器等组成,集成制动助力、线控制动及再生制动等功能。设计了一种提高制动助力性能的滑模控制算法,并利用Lyapunov方程证明了该算法的稳定性。对本文算法及系统其他功能进行实车验证,结果表明:本文算法可以控制电机在三腔主缸内快速建立压力,并控制滚珠丝杠跟随踏板推杆一起运动,从而始终保持良好的脚感;系统可以实现线控及人力备份制动功能,且满足法规要求;踏板行程模拟器提供的脚感连续平滑。

含局部缝隙与重叠特征的Mindlin板等几何分析
赵罡, 杜孝孝, 王伟
2017, 43(3): 432-440. doi: 10.13700/j.bh.1001-5965.2016.0221
摘要:

等几何分析(IGA)中非均匀有理B样条(NURBS)被同时用作计算机辅助设计(CAD)中的建模工具以及有限元分析(FEA)中的逼近函数。NURBS模型中常见的缝隙和重叠问题使得分析变得困难。基于Mindlin板理论,对含有缝隙与重叠部分的NURBS模型进行等几何分析,采用Nitsche方法处理模型交界面上的非协调问题,并通过标准数值仿真算例的计算结果与解析解对比验证方法的可行性。研究结果表明:基于Nitsche的等几何方法可以用来对含局部缝隙与重叠特征的非协调Mindlin板模型进行分析;NURBS次数越高,等几何分析计算结果越精确,并且收敛速度越快。

IQ通道失衡对同时收发认知抗干扰系统的影响
黎海涛, 钱一名
2017, 43(3): 449-456. doi: 10.13700/j.bh.1001-5965.2016.0201
摘要:

针对同时收发认知抗干扰(SCAJ)系统中IQ通道失衡产生的镜像干扰降低网电空间数据链(CDL)抗干扰能力的问题,研究了IQ通道失衡的单/多频带SCAJ接收机干扰感知性能,推导出基于能量检测的IQ通道失衡接收机干扰检测概率和虚警概率,并据此提出了删除镜像信道干扰信号的有效方法。仿真结果表明,IQ通道失衡产生的镜像干扰降低了SCAJ接收机的检测概率,提出的镜像信道干扰信号删除方法可以减小IQ通道失衡的不利影响,从而提高数据链SCAJ系统性能。

跨声速副翼效率高精度静弹分析及试飞验证
何飞, 杨超, 但聃, 刘海, 王明
2017, 43(3): 457-463. doi: 10.13700/j.bh.1001-5965.2016.0202
摘要:

跨声速副翼效率一直是静弹分析领域的热点和难点问题之一。目前,基于计算流体力学(CFD)/计算结构动力学(CSD)耦合的高精度静弹分析方法用于此类问题时还存在网格变形鲁棒性以及分析结果缺乏有效验证等问题。针对上述问题,提出了基于虚拟网格及虚拟位移的网格变形方法,对于迭代中出现的非物理振荡、非一致收敛问题,采用了松弛迭代以及部件载荷综合残差收敛方法。基于上述方法,分析了某型战斗机的跨声速(Ma=0.95)副翼效率,给出了静弹变形对翼面激波位置、激波强度、压力分布的影响以及副翼效率的弹性修正系数。为验证分析结果,开展了静弹试飞辨识,两者吻合良好,表明本文所提方法可以满足复杂构型跨声速副翼效率高精度静弹分析的需求,对于提高静弹工程设计能力具有重要意义。

具有尾缘襟翼的风力机动力学建模与恒功率控制
张臻, 卢经纬, 梁宇坤
2017, 43(3): 464-471. doi: 10.13700/j.bh.1001-5965.2016.0199
摘要:

具有尾缘襟翼的风力机在大型风力机领域具有广阔的应用前景。在具有可变尾缘襟翼的智能风力机中,通过控制襟翼偏转角可以调节风力机叶片的气动特性,可达到控制风电系统输出的目的。采用叶素动量方法建立了具有尾缘襟翼的风力机气动模型,在此基础上建立了智能风电系统的非线性动力学模型。基于动态逆方法对非线性系统进行线性化,采用H状态反馈方法设计了反馈控制器。针对12~16m/s的阶跃风况和基于四分量模型所建立的实际风况进行了仿真验证,仿真结果表明,所设计的控制系统能有效控制风电系统的输出功率。

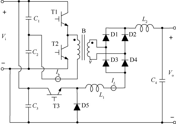
一种新型大功率升降压变换器及控制方法
杜青, 崔波, 夏宁, 蔡晓东, 齐铂金, 成艳, 朱立颖
2017, 43(3): 472-480. doi: 10.13700/j.bh.1001-5965.2016.0225
摘要:

现有的升降压拓扑中双管级联变换器最符合高效大功率场合的使用要求,但如果工作模式标准选择不当,串联结构和Boost电路的非线性直流增益很容易在升降压转换过程中产生严重的振荡。本文提出了一种新颖的大功率IPOSBHB变换器,阐述了其电路结构及基本关系,建立了降压模式和升压模式下的开环小信号模型,设计了载波平移的组合控制方法,分析了升降压模式切换时传递函数的不一致性、占空比的不连续性和输入电压的扰动对变换器输出特性的影响,并给出了补偿措施。本文提出的载波平移组合控制策略和补偿方法很容易实现稳态时的高效控制和升降压模式切换时的平滑过渡,同时降低了输入电压扰动的不利影响。通过一台15kW样机对本文提出的理论加以验证。

机载超短波电台邻道干扰减敏特性建模与评估
武南开, 苏东林, 何洪涛, 刘焱
2017, 43(3): 481-487. doi: 10.13700/j.bh.1001-5965.2016.0230
摘要:

为了解决传统邻道干扰模型与测试数据对比误差较大的难题,将接收机射频前端的非线性响应模型和信噪比模型相融合,考虑到邻道干扰信号与本振相位噪声混频而产生的噪声,提出了噪声修正因子,进一步建立了超短波(VHF)电台接收机邻道干扰减敏模型,与典型实装测试数据相对比误差约为3dB,表明本文方法能够很好地描述邻道干扰的减敏特性。利用本文模型给出了机载超短波电台邻道干扰评估方法,结合直升机编队飞行时电台邻道干扰评估案例,验证了本文方法的适用性和有效性,具有一定的工程应用价值。

全程恒定基座姿态零扰动的空间机械臂轨迹规划
黄兴宏, 贾英宏, 徐世杰, 卢山
2017, 43(3): 488-496. doi: 10.13700/j.bh.1001-5965.2016.0187
摘要:

本文研究了全程恒定基座姿态零扰动的自由漂浮空间机器人(FFSR)末端位姿轨迹规划的问题。针对无运动学冗余自由度的三关节平面FFSR系统,首先建立了其末端位姿与关节角之间的状态变换关系,然后给出了以基座姿态和关节角为状态变量的系统方程。根据该系统方程,利用非线性系统的可控性判据证明了在保证全程恒定基座姿态零扰动的前提下,对FFSR系统的末端位置和姿态同时作轨迹规划的可行性;再利用最优控制策略,将轨迹规划问题转换为最优控制问题,设计了一种全程恒定基座姿态零扰动的末端位姿轨迹规划方法。数值仿真验证了结论的正确性和设计方法的有效性。

基于外定界椭球集员估计的纯方位目标跟踪
刘玉双, 赵剡, 吴发林
2017, 43(3): 497-505. doi: 10.13700/j.bh.1001-5965.2016.0196
摘要:

针对在未知但有界噪声假设下的双基阵纯方位目标跟踪问题,本文提出了一种基于外定界椭球的集员估计(EOB-SME)跟踪算法。该算法具有类似于Kalman滤波的预测-校正递推更新结构,并且在时间更新和量测更新递推阶段分别有一个加权参数。通过最小化估计误差的Lyapunov函数的上界来求取量测更新递推阶段的加权参数,减少了算法的计算量;同时将非线性系统线性化后所产生的误差用椭球进行外包,与量测噪声椭球组成新的噪声椭球。仿真结果表明:在有界噪声假设下,本文所提出算法对纯方位机动目标的跟踪精度更高。

基于事件驱动的多飞行器编队协同控制
马鸣宇, 董朝阳, 王青, 程昊宇
2017, 43(3): 506-515. doi: 10.13700/j.bh.1001-5965.2016.0222
摘要:

针对多飞行器系统协同控制问题,研究了基于事件驱动机制的控制设计方法。结合有向通信拓扑和编队位置描述建立了空间多飞行器系统的模型,在飞行器编队中引入事件驱动方法,设计了一般形式的事件触发函数,在非触发时间内利用触发时刻的信息生成了协同控制律,使得飞行器在非持续通信下能够形成三维空间任意给定的队形,并从理论上给出了协同控制问题的稳定性证明。提出的方法不需要飞行器系统的全局信息,飞行器只需要在触发时刻进行通信和控制器的更新,更有利于实际情形中的应用。仿真结果验证了该方法的有效性。

基于ML背景参数估计的CDKF-CPHD多目标跟踪算法
马天力, 王新民, 曹宇燕, 张阳
2017, 43(3): 516-523. doi: 10.13700/j.bh.1001-5965.2016.0189
摘要:

针对低信杂比环境下的多机动目标跟踪问题,提出了一种基于极大似然(ML)背景参数估计的中心差分卡尔曼-势概率假设密度滤波(BE-CDKF-CPHD)算法。算法采用ML法实时估计重尾分布模型参数,计算检测概率和虚警概率。运用极大似然-恒虚警(ML-CFAR)算法对信号进行处理, 提取有效量测值, 将幅值似然函数与势概率假设密度滤波器(CPHD)中的目标位置似然函数相结合,通过中心差分法递归更新得到后验均值与协方差,达到对多机动目标进行跟踪的目的。仿真结果表明,在低信杂比环境中,所提算法提高了跟踪精度与目标数目估计准确度。

网络控制系统有限频域故障检测和容错控制
程昊宇, 董朝阳, 马奥家, 王青
2017, 43(3): 524-532. doi: 10.13700/j.bh.1001-5965.2016.0177
摘要:

考虑网络控制系统中存在的时延,研究了其在有限频域内的故障检测以及容错控制问题。针对有限频域内的故障信号,利用给定指标设计故障检测滤波器产生残差信号。为了保证系统在故障情况下的控制性能,进一步构造基于残差反馈的主动容错控制器对故障进行补偿。给出了故障检测滤波器与主动容错控制器存在并满足有限频域内性能指标的充分条件。利用线性矩阵不等式得到了故障检测滤波器和主动容错控制器参数。数值仿真表明所提方法能够获得良好的故障检测性能和容错控制效果。

基于神经网络的撞球机器人控制器设计
高家颖, 何秋阳, 詹志新
2017, 43(3): 533-543. doi: 10.13700/j.bh.1001-5965.2016.0183
摘要:

对撞球机器人的母球控制问题展开研究,设计了一种基于神经网络(NN)的控制器,使机器人能够控制母球在击打目标球后按照预定的模式运动至目标点——即完成走位。针对该问题非线性且非光滑的特点,对坐标系进行阐述并给出机器人击球的模型;在光滑的假设下使用理论分析的方法建立母球的运动学模型与边库反弹的理想镜像模型;进而使用神经网络方法对理想模型进行修正,并对不同的轨迹模式进行分析与分类。测试结果表明:经过训练的机器人能够掌握各种模式的走位,统计结果与模型分析结果相吻合;相比于单一使用神经网络方法,本文使用理论分析与神经网络相结合的方法能够有效地提升网络的品质,降低训练的误差。

1/3含口盖复合材料柱壳后屈曲性能
陈志刚, 吴永康, 程小全, 张涛
2017, 43(3): 544-550. doi: 10.13700/j.bh.1001-5965.2016.0159
摘要:

工程结构中复合材料柱壳已经得到了广泛使用,并且屈曲是其结构设计的一个主要问题。由于试验结果与线性屈曲理论分析结果的巨大偏差,线性特征值屈曲分析只能作为结构的一个初步评估方法,进一步分析可选用含初始几何缺陷的后屈曲分析。本文以轴压载荷下的1/3含口盖复合材料柱壳为研究对象,建立ABAQUS有限元模型,分别进行了基于Buckle算法的线性特征值屈曲分析、基于Riks法的含初始几何缺陷的非线性后屈曲分析,所得应变、载荷数值结果与试验结果吻合。非线性Riks后屈曲分析显示结构具有后屈曲承载能力和稳定的后屈曲平衡路径,能更准确地捕捉临界屈曲载荷,所得屈曲模态也更加贴近试验屈曲模态,因此,在设计上以含初始几何缺陷的Riks法得到的结果更加真实可靠。进行了含口盖复合材料柱壳的初始几何缺陷的敏感性分析,结果表明该结构对初始几何缺陷是非常敏感的,为了提高结构抗屈曲性能,应提高加工工艺质量,减少初始几何缺陷。

高空平台通信系统中基于预测的小区切换算法
何攀峰, 程乃平, 倪淑燕
2017, 43(3): 551-558. doi: 10.13700/j.bh.1001-5965.2016.0627
摘要:

在平流层的环境中,高空平台(HAPS)的扰动特性严重影响了通信系统的小区切换性能。在平台扰动和终端移动的场景中,基于固定门限的切换算法容易增加不必要的切换次数,切换性能较差。建立HAPS覆盖模型,用户终端根据其速度动态选择切换检测周期,提出基于接收信号强度差分最小均方预测的自适应切换算法,推导了无线链路失败率的上限。仿真结果表明,相比传统固定门限的切换算法,本文算法有效降低了不必要的切换,同时还可将无线链路失败率控制在1%以下,能够适应多种通信场景。

洛伦兹力磁轴承磁密均匀度设计与分析
许国锋, 蔡远文, 任元, 樊亚洪, 孙津济, 赵航
2017, 43(3): 559-566. doi: 10.13700/j.bh.1001-5965.2016.0194
摘要:

新型磁悬浮控制敏感陀螺(MSCSG)高速转子具有万向偏转特性,可输出高精度和高带宽的偏转控制力矩,用于抑制天基平台的周期性振动。MSCSG采用5自由度(DOF)全主动控制,其径向2个扭动DOF的偏转控制由洛伦兹力磁轴承(LFMB)实现。基于LFMB的基本构型,建立电磁力和电磁力矩的数学模型,并分析出气隙磁密均匀度是影响输出力矩精度和角速率测量精度的主要因素。介绍了LFMB的优化设计结构,通过有限元仿真分析,结果表明所设计LFMB通过在内外永磁体表面增加1J50导磁薄片,能够有效提高气隙磁密分布的均匀度,输出控制力矩更加精确,有利于提高控制精度;通过使用梯形永磁体提供更大的供磁面积提高气隙磁密强度以降低功耗,同时梯形永磁体在转子高速旋转时便于限位,保证稳定性。本文研究可为具有偏转特性的磁悬浮类转子陀螺的设计与分析提供有益参考。

机载GNSS海洋反射信号的建模与仿真
祁永强, 张波, 杨东凯, 李博闻, 彭博
2017, 43(3): 567-572. doi: 10.13700/j.bh.1001-5965.2016.0242
摘要:

由于全球导航卫星系统反射(GNSS-R)机载试验耗费大和重复性差,需研制GNSS-R信号模拟器,但没有相应的反射信号模型。提出了一种基于数据拟合的机载GNSS海洋反射信号建模方法。首先,对复杂的GNSS海面反射信号进行近似简化。然后利用ZV模型生成的时延相关功率曲线,通过最小二乘拟合和非线性拟合,建立了多条等时延间隔的海洋反射信号功率衰减模型,从而得到机载GNSS海洋反射信号的时延、功率、多普勒频率参数。最后,对多条反射信号的合路信号进行相关的仿真验证。验证的结果表明模拟的14条反射信号的相关功率曲线与ZV模型理论曲线的相关系数优于0.99,能够有效地用于GNSS海洋反射信号的生成。该方法可根据海面风场、浪高、波高等海面信息,模拟不同海况的海洋反射信号,为GNSS-R信号模拟器的研制奠定基础。

一种基于迭代的多音干扰消除方案
王鑫, 张晓林, 曹晏波
2017, 43(3): 573-582. doi: 10.13700/j.bh.1001-5965.2016.0247
摘要:

针对正交频分复用技术(OFDM)系统的多音干扰,本文提出先通过增加频域分辨率进行多音干扰识别,再基于迭代运算逐个对多个单音干扰进行参数估计、重构和消除的方案。其中,在多音干扰识别阶段,使用ZoomFFT技术以提高频域分辨率并简化计算复杂度。然而,ZoomFFT后的降采样序列点数不一定满足2的整数次幂,对于单音干扰参数估计,此时可采用经典的基于离散傅里叶变换(DFT)的最大似然参数估计(DFT-MLE),但当采样点数太大时,DFT运算将带来很大的实现复杂度。本文在基于DFT-MLE算法基础上给出一种基于快速傅里叶变换(FFT)的单音参数估计法FFT-MLE,不仅简化了运算复杂度,而且相比DFT-MLE其估计性能有更好的鲁棒性。最后的仿真结果说明了该多音干扰消除方案的有效性。

一种无人机数据链信道选择和功率控制方法
张文秋, 丁文锐, 刘春辉
2017, 43(3): 583-591. doi: 10.13700/j.bh.1001-5965.2016.0166
摘要:

无人机(UAV)数据链在复杂电磁和地理自然环境中可靠性受到严重威胁,针对如何通过选择信道和调整信号发送功率保证UAV通信质量的问题,提出了一种结合相关向量回归(RVR)的信道选择和功率控制方法。方法采用RVR建立干扰信息、误码率(BER)与信噪比(SNR)的映射模型,通过该模型可根据实时干扰参数,预测信道满足UAV数据链BER要求的最小化SNR,进而可计算最小化的发送功率,把最小化功率作为标准判断信道质量好坏,选择信道的同时确定发送功率,简化过程,以最小化信道发送功率达到抗干扰的目的。仿真实验证明,该方法能够有效选择可用信道并调整发送功率,抑制干扰,时间和能量开销低,具有较强实用性。

基于图像增强的无人机侦察图像去雾方法
黄宇晴, 丁文锐, 李红光
2017, 43(3): 592-601. doi: 10.13700/j.bh.1001-5965.2016.0169
摘要:

针对无人机(UAV)雾霾天气下的侦察图像,并考虑无人机自身特性,提出了一种新的基于图像增强的无人机侦察图像去雾方法。该方法从图像处理的角度,通过对图像分别进行白平衡处理和对比度增强处理,基于图像融合和自动色阶处理,最终得到复原图像。选取无人机侦察图像进行去雾,并从主观和客观对实验结果进行评价,本方法得到的去雾图像的图像评价指标均有明显提高;同时与其他典型的去雾方法相比,综合评价指标提升,证明本方法可以得到良好的去雾效果。

故障小修下瞬时可用度的波动分析
任思超, 杨懿, 陈洋, 康锐
2017, 43(3): 602-607. doi: 10.13700/j.bh.1001-5965.2016.0195
摘要:

基于修理延迟下单部件三状态(工作、修理延迟、修理)可修系统的更新模型,提出了带有故障小修的三状态(工作、故障小修、修理)更新模型。运用简捷的方法把更新方程化为微分方程得到其解析表达式。结果显示模型的变化使得稳态可用度提升。使用一套波动理论,其中包括基础的波动定义和相关的波动判定引理。依此给出了瞬时可用度波动产生的条件。通过固定故障率,分析修复率对瞬时可用度波动的影响。同时结合实际背景,提供了抑制波动的方法,即控制平均修理时间小于平均故障时间的1/4。仿真结果与理论相一致。

反转轴间双端面气膜密封性能分析
刘晓玉, 王之栎, 丁蕾, 王博文, 刘立坤
2017, 43(3): 608-614. doi: 10.13700/j.bh.1001-5965.2016.0216
摘要:

针对一种反转轴间双端面气膜密封系统的密封性能进行研究,建立系统二自由度力学平衡方程,通过有限元法求解双端面稳态气膜厚度以及气膜支反力;以瞬时扰动力与激振力模拟密封系统扰动,采用直接数值模拟法,求解密封系统的动态响应,使用快速傅里叶变换(FFT)处理振动信号。分析表明:动静压混合结构可在较大的膜厚范围内保持较高刚度,使系统密封特性提升兼有良好的稳定性。密封系统在瞬时力扰动下的收敛时间受密封跑道与主密封环质量比影响较大;在非共振频率的激振力下,密封系统动态稳定性良好;在共振频率的激振力下将会引起系统振动加剧、泄漏量增加,甚至失稳,设计中应予避免。

基于隐马尔可夫模型的空战决策点理论研究
冯超, 景小宁, 李秋妮, 姚鹏
2017, 43(3): 615-626. doi: 10.13700/j.bh.1001-5965.2016.0220
摘要:

从几何空战理论经过能量空战理论,直到角度空战理论,空战理论的发展更多的是从战斗机性能的角度来分析空战过程,忽略了作战飞行员在决策过程中起到的作用。本文分析空战飞机的客观数据的变化特征,提出了一种基于隐马尔可夫的近距空战流程分析方法,使用维特比算法判断飞行员在空战过程中的状态序列,从而获得了理论上的空战决策点。在理论分析上,提出了一种空战决策点理论用以评判飞行员飞行品质。通过实验仿真验证了使用隐马尔可夫模型讨论近距空战的可行性,并且发现飞行员空战决策点包络处于包围趋势时,飞行员获胜的可能性越大。

航天器近距离相对运动的轨迹偏差分析
石昊, 赵育善, 师鹏
2017, 43(3): 636-644. doi: 10.13700/j.bh.1001-5965.2016.0641
摘要:

利用相对可达区(RRD)的概念对航天器在脉冲闭环控制方式下相对运动的轨迹偏差进行了分析。相对可达区是对航天器可能出现位置集合的一种几何描述。当航天器的状态误差服从高斯分布时,相对可达区可表示为随时间变化的误差椭球的集合。考虑航天器飞行过程中存在的不确定性因素,基于闭环控制系统下线性化的相对运动动力学模型,采用协方差分析描述函数法(CADET)对定义航天器误差椭球的协方差矩阵进行了分析,给出了根据协方差矩阵求解相对可达区包络的计算方法。通过将开环和闭环控制系统下的相对可达区包络与1000次的Monte Carlo仿真结果进行比较,证明了偏差分析方法的适用性与有效性。

基于球形滚刀的面齿轮滚齿加工方法
王延忠, 唐文, 殷永耀, 兰州, 侯良威, 贾爽
2017, 43(3): 441-448. doi: 10.13700/j.bh.1001-5965.2016.0826
摘要:

面齿轮传动具有突出的优点,在航空领域具有广阔的应用前景。为提高面齿轮的加工效率, 针对面齿轮球形滚刀及滚齿加工进行了研究。根据面齿轮传动原理,得到了面齿轮插齿成形的型面。研究了从圆柱齿轮向球形滚刀基蜗杆演变的过程,分析了球形滚刀的成形方法,推导了球形滚刀基蜗杆的型面方程和螺旋升角。建立了球形滚刀加工面齿轮的坐标系,推导了球形滚刀加工面齿轮的型面,利用VERICUT对2个实例进行了加工仿真,并进行了相应的实际加工试验和检测,仿真和试验结果表明球形滚刀可用于面齿轮的加工。

基于FMECA信息的测试性验证试验样本分配方法
陈然, 连光耀, 黄考利, 闫鹏程, 耿梦雪, 王凯
2017, 43(3): 627-635. doi: 10.13700/j.bh.1001-5965.2016.0163
摘要:

针对目前国内外测试性验证试验中普遍采用的基于故障率的分层抽样方法考虑因素单一,可能导致样本分配不尽合理,而现有考虑多因素的样本分配方法代表性不足,难以实现工程上的应用的问题,对影响样本分配的因素与故障模式影响及危害性分析(FMECA)信息的关系进行了详细分析,提出了基于FMECA信息的样本分配方法。首先定义了单元影响系数和影响因子向量,提出了向量各元素赋值规则,解决了影响因素选取的问题;其次通过基于逼近理想解排序法(TOPSIS)优化的层次分析法确定了权值矩阵,实现了样本分配。最后通过实例验证表明该方法考虑因素全面,运用灵活,更具代表性和工程应用价值。

常见问答